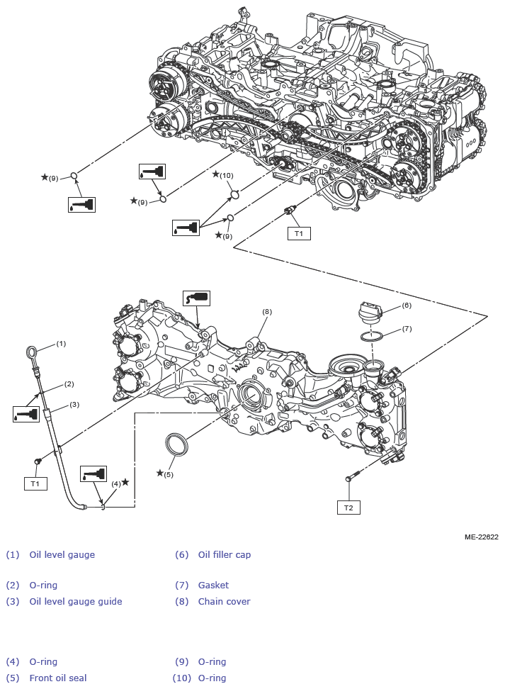
Chain Cover
- 2.0 L gasoline engine model
Tightening torque: N.m (kgf-m, ft-lb)
T1: 6.4 (0.7, 4.7)
T2: Ref. to MECHANICAL (H4DO (EXCEPT FOR HEV))>CHAIN COVER>INSTALLATION .
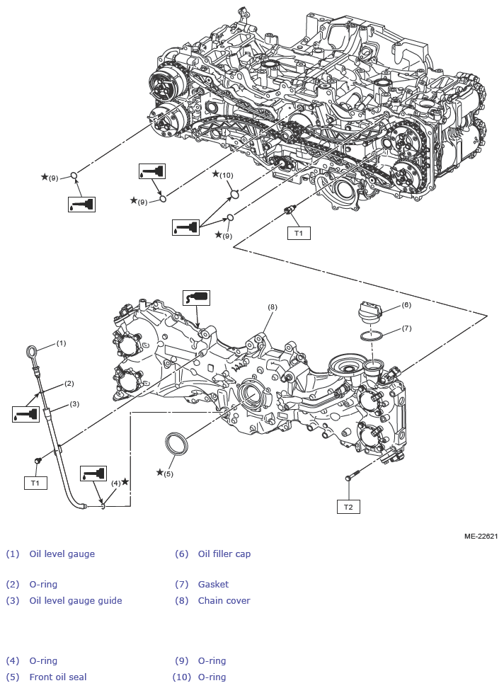
- 2.5 L model
Tightening torque: N.m (kgf-m, ft-lb)
T1: 6.4 (0.7, 4.7)
T2: Ref. to MECHANICAL (H4DO (EXCEPT FOR HEV))>CHAIN COVER>INSTALLATION .
- Hybrid model
Tightening torque: N.m (kgf-m, ft-lb)
T1: 6.4 (0.7, 4.7)
T2: Ref. to MECHANICAL (H4DO (EXCEPT FOR HEV))>CHAIN COVER>INSTALLATION .