lemon-mirror:
Home >> Subaru >> 2021 >> Forester Base >> Repair and Diagnosis >> Engine Performance >> System >> Engine Control System (Diagnostics) (General) >> Diagnostics With Phenomenon >> Check Power Supply And Ground Line Of Engine Control Module (ECM)

Check Power Supply And Ground Line Of Engine Control Module (ECM)

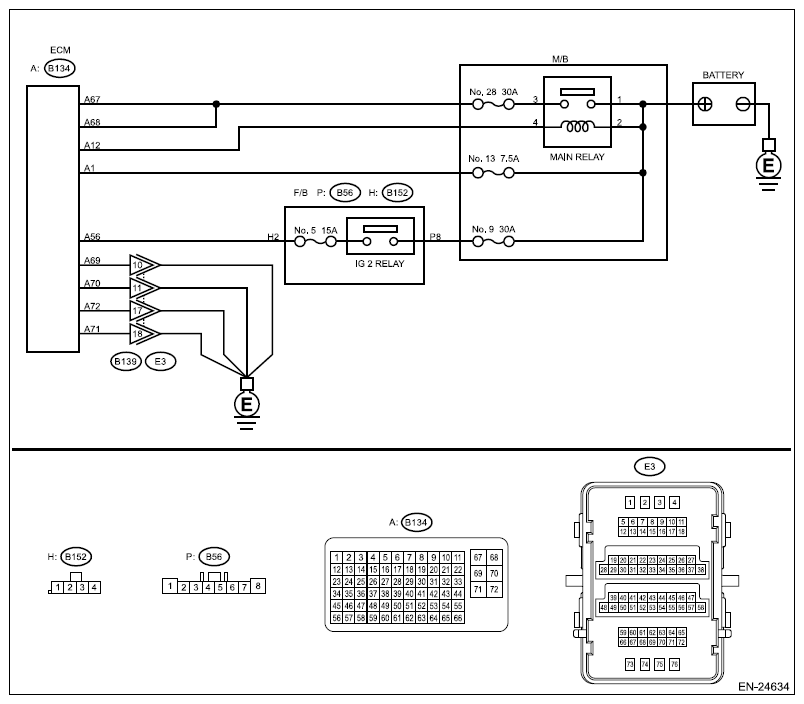
Wiring diagram: 

Engine Electrical System Ref. to WIRING SYSTEM>ENGINE ELECTRICAL SYSTEM .

G13891321Courtesy of SUBARU OF AMERICA, INC.
CAUTION: Use the check board when measuring the ECM terminal voltage and resistance. Ref. to ENGINE (DIAGNOSTICS) (H4DO)>GENERAL DESCRIPTION>PREPARATION TOOL>HOW TO USE CHECK BOARD .
  1. CHECK FOR MALFUNCTION STATUS  .

    Check for the generating condition of starting failure.

    Is this a starting failure during Auto Start Stop?

    Yes  : Check the Auto Start Stop. Ref. to AUTO START STOP (DIAGNOSTICS)>BASIC DIAGNOSTIC PROCEDURE .

    No  : Go to  2 .

  2. CHECK MAIN RELAY  .
    1. Turn the ignition switch to OFF.
    2. Remove the main relay.
    3. Check the main relay. Ref. to FUEL INJECTION (FUEL SYSTEMS) (H4DO)>MAIN RELAY>INSPECTION .

    Is the check result OK?

    Yes  : Go to  3 .

    No  : Replace the main relay. Ref. to FUEL INJECTION (FUEL SYSTEMS) (H4DO)>MAIN RELAY .

  3. CHECK GROUND CIRCUIT FOR ECM  .
    1. Disconnect the connector from ECM.
    2. Measure the resistance of harness between ECM connector and engine ground.

      Connector & terminal 

      (B134) No. 69 - Engine ground:

      (B134) No. 70 - Engine ground:

      (B134) No. 71 - Engine ground:

      (B134) No. 72 - Engine ground:

    Is the resistance less than 5 Ω?

    Yes  : Go to  4 .

    No  : Repair the following item.

    • Open circuit of harness between ECM connector and engine ground
    • Poor contact of coupling connector
  4. CHECK INPUT VOLTAGE OF ECM  .
    1. Turn the ignition switch to ON.
    2. Measure the voltage between ECM connector and engine ground.

      Connector & terminal 

      (B134) No. 1 (+) - Engine ground (-):

      (B134) No. 56 (+) - Engine ground (-):

    Is the voltage 10 V or more?

    Yes  : Go to  5 .

    No  : Repair the open or ground short in the harness of power supply circuit.

  5. CHECK M/B (MAIN RELAY) INPUT VOLTAGE  .

    Measure the voltage between M/B (main relay) terminal and engine ground.

    Terminals 

    No. 1 (+) - Engine ground (-):

    No. 2 (+) - Engine ground (-):

    Is the voltage 10 V or more?

    Yes  : Go to  6 .

    No  : Repair the open or ground short in the harness of power supply circuit.

  6. CHECK INPUT VOLTAGE OF ECM  .
    1. Turn the ignition switch to OFF.
    2. Install the main relay.
    3. Measure the voltage between ECM connector and engine ground.

      Connector & terminal 

      (B134) No. 12 (+) - Engine ground (-):

    Is the voltage 10 V or more?

    Yes  : Go to  7 .

    No  : Repair the open circuit of harness between ECM connector and M/B (main relay) terminal.

  7. CHECK INPUT VOLTAGE OF ECM  .
    1. Connect the connector to ECM.
    2. Turn the ignition switch to ON.
    3. Measure the voltage between ECM connector and engine ground.

      Connector & terminal 

      (B134) No. 67 (+) - Engine ground (-):

      (B134) No. 68 (+) - Engine ground (-):

    Is the voltage 10 V or more?

    Yes  : Check the starter motor circuit. Ref. to ENGINE (DIAGNOSTICS) (H4DO)>DIAGNOSTICS WITH PHENOMENON>STARTER MOTOR CIRCUIT .

    No  : Repair the following item.

    • Open circuit of harness between ECM connector and M/B (main relay)
    • Poor contact of M/B (main relay)
    • Poor contact of ECM connector
NOTE: After the faulty parts are repaired or replaced, perform the final check in Basic Diagnostic Procedure. Ref. to ENGINE (DIAGNOSTICS) (H4DO)>BASIC DIAGNOSTIC PROCEDURE>PROCEDURE .