lemon-mirror:
Home >> Subaru >> 2021 >> Forester Base >> Repair and Diagnosis >> Engine Performance >> System >> Engine Control System (Diagnostics) (General) >> Diagnostics With Phenomenon >> Fuel Pump Circuit

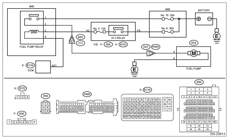
Fuel Pump Circuit

Wiring diagram: 

Engine Electrical System Ref. to WIRING SYSTEM>ENGINE ELECTRICAL SYSTEM .

G13228189Courtesy of SUBARU OF AMERICA, INC.
CAUTION: Use the check board when measuring the ECM terminal voltage and resistance. Ref. to ENGINE (DIAGNOSTICS) (H4DO)>GENERAL DESCRIPTION>PREPARATION TOOL>HOW TO USE CHECK BOARD .
  1. CHECK OPERATING SOUND OF FUEL PUMP  .

    Check if the fuel pump operates for two seconds when turning the ignition switch to ON.

    NOTE: Fuel pump operation can be executed using the Subaru Select Monitor. Refer to "Active Test" for the procedures. Ref. to ENGINE (DIAGNOSTICS) (H4DO)>ACTIVE TEST .

    Does the fuel pump emit operating sound?

    Yes  : Check the fuel injector circuit. Ref. to ENGINE (DIAGNOSTICS) (H4DO)>DIAGNOSTICS WITH PHENOMENON>FUEL INJECTOR CIRCUIT .

    No  : Go to  2 .

  2. CHECK GROUND CIRCUIT OF FUEL PUMP  .
    1. Turn the ignition switch to OFF.
    2. Remove the fuel pump access hole lid.
    3. Disconnect the connector from fuel pump.
    4. Measure the resistance of harness between fuel pump connector and chassis ground.

      Connector & terminal 

      (R58) No. 6 - Chassis ground:

    Is the resistance less than 5 Ω?

    Yes  : Go to  3 .

    No  : Repair the open circuit in harness between fuel pump connector and chassis ground.

  3. CHECK POWER SUPPLY TO FUEL PUMP  .
    1. Turn the ignition switch to ON.
    2. Measure the voltage between fuel pump connector and chassis ground.

      Connector & terminal 

      (R58) No. 5 (+) - Chassis ground (-):

    Is the voltage 10 V or more?

    Yes  : Replace the fuel pump. Ref. to FUEL INJECTION (FUEL SYSTEMS) (H4DO)>FUEL PUMP .

    No  : Go to  4 .

  4. CHECK HARNESS BETWEEN FUEL PUMP AND FUEL PUMP RELAY (OPEN)  .
    1. Turn the ignition switch to OFF.
    2. Remove the fuel pump relay.
    3. Measure the resistance of harness between fuel pump connector and fuel pump relay connector.

      Connector & terminal 

      (R58) No. 5 - M/B (fuel pump relay) No. 3:

    Is the resistance less than 1 Ω?

    Yes  : Go to  5 .

    No  : Repair the following item.

    • Open circuit in harness between fuel pump connector and fuel pump relay connector
    • Poor contact of coupling connector
  5. CHECK HARNESS BETWEEN FUEL PUMP AND FUEL PUMP RELAY (SHORT TO GROUND)  .

    Measure the resistance between fuel pump connector and chassis ground.]

    Connector & terminal 

    (R58) No. 5 - Chassis ground:

    Is the resistance 1 MΩ or more?

    Yes  : Go to  6 .

    No  : Repair the short circuit to ground in harness between fuel pump connector and fuel pump relay connector.

  6. CHECK FUEL PUMP RELAY  .

    Check the fuel pump relay. Ref. to FUEL INJECTION (FUEL SYSTEMS) (H4DO)>FUEL PUMP RELAY>INSPECTION .

    Is the check result OK?

    Yes  : Go to  7 .

    No  : Replace the fuel pump relay. Ref. to FUEL INJECTION (FUEL SYSTEMS) (H4DO)>FUEL PUMP RELAY .

  7. CHECK HARNESS BETWEEN ECM AND FUEL PUMP RELAY (OPEN)  .
    1. Disconnect the connector from ECM.
    2. Measure the resistance of harness between ECM connector and fuel pump relay connector.

      Connector & terminal 

      (B134) No. 31 - M/B (fuel pump relay) No. 4:

    Is the resistance less than 1 Ω?

    Yes  : Go to  8 .

    No  : Repair the open circuit of harness between ECM connector and fuel pump relay connector.

  8. CHECK POWER SUPPLY OF FUEL PUMP RELAY  .
    1. Turn the ignition switch to ON.
    2. Measure the voltage between fuel pump relay connector and chassis ground.

      Connector & terminal 

      M/B (fuel pump relay) No. 1 (+) - Chassis ground (-):

      M/B (fuel pump relay) No. 2 (+) - Chassis ground (-):

    Is the voltage 10 V or more?

    Yes  : Repair the poor contact of ECM connector.

    No  : Repair the open or ground short in the harness of power supply circuit.

NOTE: After the faulty parts are repaired or replaced, perform the final check in Basic Diagnostic Procedure. Ref. to ENGINE (DIAGNOSTICS) (H4DO)>BASIC DIAGNOSTIC PROCEDURE>PROCEDURE .