lemon-mirror:
Home >> Subaru >> 2021 >> Outback Base >> Repair and Diagnosis >> Accessories & Equipment >> Communication Devices >> Front Relay Control Module (Diagnostics) >> General Description >> System Block Diagram

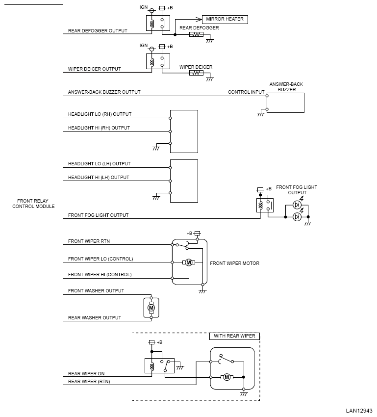
System Block Diagram

G13633108Courtesy of SUBARU OF AMERICA, INC.
G13633109Courtesy of SUBARU OF AMERICA, INC.