lemon-mirror:
Home >> Subaru >> 2021 >> Outback Base >> Repair and Diagnosis >> Brakes >> Traction Control >> Brake Control System (Diagnostics) >> Diagnostic Procedure For Subaru Select Monitor Communication >> Inspection

Diagnostic Procedure For Subaru Select Monitor Communication: Inspection

Detecting condition: 

Defective harness connector

Trouble symptom: 

Communication is impossible between VDC and Subaru Select Monitor.

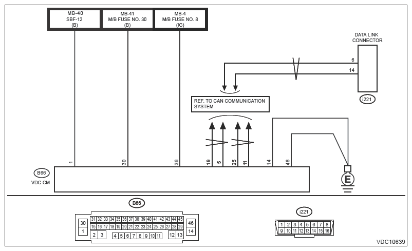
Wiring diagram: 

Vehicle dynamics control system Ref. to WIRING SYSTEM>VEHICLE DYNAMICS CONTROL SYSTEM .

G13630620Courtesy of SUBARU OF AMERICA, INC.
  1. CHECK IGNITION SWITCH  .

    Is the ignition switch ON?

    Yes:  Go to  2 .

    No:  Turn the ignition switch to ON, and select Brake Control using the Subaru Select Monitor.

  2. CHECK BATTERY  .
    1. Turn the ignition switch to OFF.
    2. Measure the battery voltage.

    Is the voltage 11 V or more?

    Yes:  Go to  3 .

    No:  Charge or replace the battery.

  3. CHECK BATTERY TERMINAL  .

    Is there poor contact at battery terminal?

    Yes:  Replace or tighten the battery terminal.

    No:  Go to  4 .

  4. CHECK INSTALLATION OF VDCCM AND H/U CONNECTOR  .

    Turn the ignition switch to OFF.

    Is the VDCCM and H/U connector inserted into VDCCM and H/U until the clamp locks onto it?

    Yes:  Go to  5 .

    No:  Insert VDCCM and H/U connector into VDCCM and H/U.

  5. CHECK LAN SYSTEM  .

    Check the LAN system. Ref. to LAN SYSTEM (DIAGNOSTICS)>BASIC DIAGNOSTIC PROCEDURE .

    Is the check result OK?

    Yes:  Go to  6 .

    No:  Perform the diagnosis for LAN system.

  6. CHECK SUBARU SELECT MONITOR COMMUNICATION  .
    1. Turn the ignition switch to ON.
    2. Check whether communication to VDC system can be executed normally.

    Is the [Select Function] screen displayed?

    Yes:  Check the DTC in VDC system. Ref. to BRAKE CONTROL (DIAGNOSTICS)>DIAGNOSTIC TROUBLE CODE (DTC) .

    No:  Go to  7 .

  7. CHECK SUBARU SELECT MONITOR COMMUNICATION  .

    Connect the Subaru Select Monitor to another vehicle to check whether the communication for initializing can be executed normally.

    Does the Subaru Select Monitor communicate normally?

    Yes:  Go to  8 .

    No:  Repair or replace the Subaru Select Monitor.

  8. CHECK POWER SUPPLY CIRCUIT  .
    1. Turn the ignition switch to ON. (Engine OFF)
    2. Measure the ignition power supply voltage between VDCCM and H/U connector and chassis ground.

      Connector and terminal 

      (B66) No. 1 (+) - Chassis ground (-):

      (B66) No. 30 (+) - Chassis ground (-):

      (B66) No. 36 (+) - Chassis ground (-):

    Is the voltage 10 - 15 V?

    Yes:  Go to  9 .

    No:  Repair open circuit in harness between VDCCM and H/U and battery.

  9. CHECK HARNESS CONNECTOR BETWEEN VDCCM AND H/U AND CHASSIS GROUND  .
    1. Turn the ignition switch to OFF.
    2. Disconnect the connector from the VDCCM and H/U.
    3. Measure the resistance of harness between VDCCM and H/U connector and chassis ground.

      Connector and terminal 

      (B66) No. 14 - Chassis ground:

      (B66) No. 46 - Chassis ground:

    Is the resistance less than 10 Ω?

    Yes:  Go to  10 .

    No:  Repair the open circuit of VDCCM and H/U ground circuit and poor contact of connector.

  10. CHECK POOR CONTACT OF CONNECTOR  .

    Is there poor contact of control module power supply, ground circuit and data link connector?

    Yes:  Repair the connector.

    No:  Replace the VDCCM and H/U. Ref. to VEHICLE DYNAMICS CONTROL (VDC)>VDC CONTROL MODULE AND HYDRAULIC CONTROL UNIT (VDCCM and H/U) .