lemon-mirror:
Home >> Subaru >> 2021 >> Outback Base >> Repair and Diagnosis >> Brakes >> Traction Control >> Brake Control System (Diagnostics) >> Warning Light Illumination Pattern >> Brake Warning Light Does Not Go Off

Brake Warning Light Does Not Go Off

Detecting condition: 

Trouble symptom: 

Brake warning light does not go off after starting the engine.

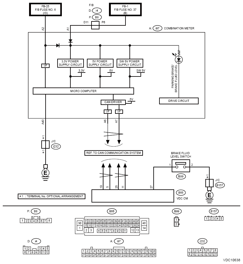
Wiring diagram: 

Parking brake/brake fluid level warning light system Ref. to WIRING SYSTEM>PARKING BRAKE/BRAKE FLUID LEVEL WARNING LIGHT SYSTEM .

Combination meter system Ref. to WIRING SYSTEM>COMBINATION METER SYSTEM .

G13630619Courtesy of SUBARU OF AMERICA, INC.
  1. CHECK INSTALLATION OF VDCCM AND H/U CONNECTOR  .
    1. Turn the ignition switch to OFF.
    2. Check that the VDCCM and H/U connector is inserted until it is locked by clamp.

    Is the connector firmly inserted?

    Yes:  Go to  2 .

    No:  Insert the VDCCM and H/U connector until it is locked by clamp.

  2. READ DTC  .

    Read the DTC of [Brake Control] using the Subaru Select Monitor. Ref. to BRAKE CONTROL (DIAGNOSTICS)>DIAGNOSTIC TROUBLE CODE (DTC) .

    Is DTC displayed?

    Yes:  Perform the diagnosis according to the DTC. Ref. to BRAKE CONTROL (DIAGNOSTICS)>DIAGNOSTIC TROUBLE CODE (DTC)>LIST .

    No:  Go to  3 .

  3. CHECK LAN SYSTEM  .

    Check the LAN system. Ref. to LAN SYSTEM (DIAGNOSTICS)>BASIC DIAGNOSTIC PROCEDURE .

    Is the check result OK?

    Yes:  Go to  4 .

    No:  Perform the diagnosis for LAN system.

  4. CHECK BRAKE FLUID AMOUNT  .

    Check the amount of brake fluid in the reservoir tank of master cylinder.

    Does the level of the brake fluid amount fall between the lines of "MAX" and "MIN"?

    Yes:  Go to  5 .

    No:  Replenish brake fluid to the specified value.

  5. CHECK BRAKE FLUID LEVEL SWITCH  .
    1. Turn the ignition switch to OFF.
    2. Disconnect the level switch connector (B99) from master cylinder.
    3. Measure the resistance of master cylinder terminals.

      Terminals 

      No. 1 - No. 2:

    Is the resistance 1 MΩ or more?

    Yes:  Go to  6 .

    No:  Replace the master cylinder. Ref. to BRAKE>MASTER CYLINDER .

  6. CHECK GROUND SHORT OF HARNESS  .
    1. Disconnect the connector from VDCCM.
    2. Measure the resistance between VDCCM connector and chassis ground.

      Connector and terminal 

      (B66) No. 27 - Chassis ground:

    Is the resistance 1 MΩ or more?

    Yes:  Go to  7 .

    No:  Repair the harness between VDCCM and brake fluid level switch.

  7. CHECK COMBINATION METER  .

    Check the combination meter. Ref. to COMBINATION METER (DIAGNOSTICS)>BASIC DIAGNOSTIC PROCEDURE .

    Is the check result OK?

    Yes:  Replace the VDCCM and H/U. Ref. to VEHICLE DYNAMICS CONTROL (VDC)>VDC CONTROL MODULE AND HYDRAULIC CONTROL UNIT (VDCCM and H/U) .

    No:  Replace the combination meter. Ref. to INSTRUMENTATION/DRIVER INFO>COMBINATION METER .