lemon-mirror:
Home >> Subaru >> 2021 >> Outback Base >> Repair and Diagnosis >> Brakes >> Traction Control >> Vehicle Dynamics Control (VDC) System >> Front ABS Wheel Speed Sensor >> Inspection >> Check Abs Wheel Speed Sensor Unit

Check Abs Wheel Speed Sensor Unit

  1. Visually check the tip of the front ABS wheel speed sensor for foreign particles or damage. If necessary, clean the tip or replace the front ABS wheel speed sensor.
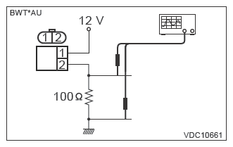
  2. Disconnect the front ABS wheel speed sensor connector.
  3. Check the front ABS wheel speed sensor cable for discontinuity. If defective, replace the front ABS wheel speed sensor.
  4. Connect a 12 V power supply to No. 1 terminal of front ABS wheel speed sensor connector, then attach resistance to the No. 2 terminal. Rotate the wheel at about 3 km/h (2 MPH), and measure the voltage using an oscilloscope.

    Standard value of output voltage: 

    0.7 - 1.4 V

    G13950039Courtesy of SUBARU OF AMERICA, INC.
    • Vehicle stopped state

    Standard value of output voltage: 

    0.7 - 1.4 V

    G13950040Courtesy of SUBARU OF AMERICA, INC.
    • Driving condition

    Standard value of output voltage: 

    0.7 - 2.8 V

    • Driving condition
    G13950041Courtesy of SUBARU OF AMERICA, INC.
    • Driving condition (enlarged view)
    G13950042Courtesy of SUBARU OF AMERICA, INC.
  5. Replace the following parts if it is found defective.
    • If the output voltage is out of the standard value: Replace the magnetic encoder (front hub unit bearing).
    • If the output voltage is within the standard value: Replace the VDC control module and H/U.