lemon-mirror:
Home >> Subaru >> 2021 >> WRX Base >> Repair and Diagnosis >> Electrical >> Gauges >> Instrumentation System (Diagnostics) >> Subaru Select Monitor >> Inspection >> Communication For Initializing Impossible

Communication For Initializing Impossible

Detecting condition: 

Trouble symptom: 

Communication is impossible between combination meter and Subaru Select Monitor.

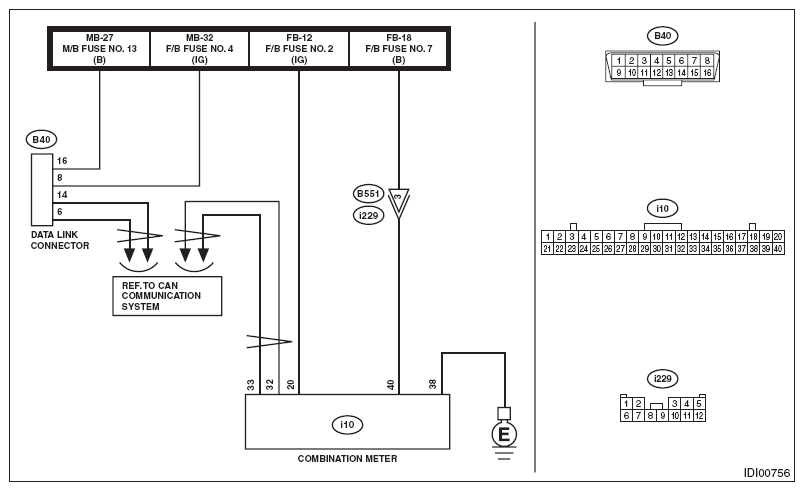
Wiring diagram: 

G10270909Courtesy of SUBARU OF AMERICA, INC.
  1. CHECK FUSE. 

    Check the fuse.

    Is the fuse OK?

    Yes:  Go to  2.

    No:  Replace the fuse. If the replaced fuse blows out easily, repair the ground short circuit in the harness between the battery and combination meter.

  2. CHECK HARNESS. 
    1. Turn the ignition switch to OFF.
    2. Disconnect the connector of combination meter.
    3. Turn the ignition switch to ON.
    4. Use a tester to measure the voltage between the combination meter connector and chassis ground.

      Connector & terminal 

      (i10) No. 20 (+) - Chassis ground (-):

      (i10) No. 40 (+) - Chassis ground (-):

      Is the voltage 10 - 13 V?

      Yes:  Go to  3.

      No:  Repair the open circuit of harness between combination meter connector and fuse.

  3. CHECK HARNESS. 

    Use a tester to measure the resistance between the combination meter connector and chassis ground.

    Connector & terminal 

    (i10) No. 38 - Chassis ground:

    Is the resistance less than 1 Ω?

    Yes:  Go to  4.

    No:  Repair the open circuit of harness between combination meter connector and chassis ground.

  4. CHECK LAN SYSTEM. 

    Inspect LAN system. Ref. to LAN SYSTEM (DIAGNOSTICS)>BASIC DIAGNOSTIC PROCEDURE .

    Is the check result OK?

    Yes:  Go to  4.

    No:  Perform the inspection according to the diagnosis for LAN system.

    5. CHECK COMBINATION METER. 

    1. Turn the ignition switch to OFF.
    2. Connect the combination meter connector.
    3. Communicate with the «Combination Meter» using the Subaru Select Monitor.

      Is communication possible?

      Yes:  The circuit has returned to a normal condition at this time. Reproduce the failure, and then perform the diagnosis again.

      NOTE: In this case, temporary poor contact of connector, temporary open or short circuit of harness may be the cause.

      No:  Replace the combination meter. Ref. to INSTRUMENTATION/DRIVER INFO>COMBINATION METER .