lemon-mirror:
Home >> Subaru >> 2021 >> WRX STI >> Repair and Diagnosis >> Engine Performance >> System >> Engine Control System (Diagnostics) (2.5L) - Introduction >> Diagnostics for Engine Starting Failure >> Ignition Control System

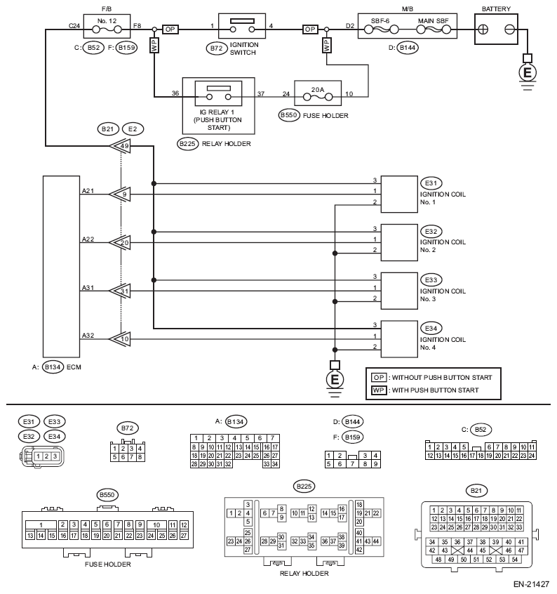
Ignition Control System

CAUTION: After servicing or replacing faulty parts, perform Clear Memory Mode. Refer to ENGINE (DIAGNOSTICS) (STI)>CLEAR MEMORY MODE>OPERATION  and inspection mode. Refer to ENGINE (DIAGNOSTICS) (STI)>INSPECTION MODE>PROCEDURE .

Wiring diagram: 

Engine Electrical System. Refer to WIRING SYSTEM>ENGINE ELECTRICAL SYSTEM>WIRING DIAGRAM .

G11574203Courtesy of SUBARU OF AMERICA, INC.
  1. CHECK SPARK PLUG CONDITION. 
    1. Remove the spark plug. Refer to IGNITION (STI)>SPARK PLUG>REMOVAL .
    2. Check the spark plug condition. Refer to IGNITION (STI)>SPARK PLUG>INSPECTION .

    Is the check result OK?

    Yes:  Go to  2.

    No:  Replace the spark plug. Refer to IGNITION (STI)>SPARK PLUG .

  2. CHECK IGNITION SYSTEM FOR SPARKS. 
    1. Connect the spark plug to ignition coil.
    2. Release the fuel pressure. Refer to FUEL INJECTION (FUEL SYSTEMS) (STI)>FUEL>PROCEDURE>RELEASING OF FUEL PRESSURE .
    3. Contact the spark plug thread portion to engine.
    4. While opening the throttle valve fully, crank the engine to check that spark occurs at each cylinder.

    Does spark occur at each cylinder?

    Yes:  Check fuel pump system. Refer to ENGINE (DIAGNOSTICS) (STI)>DIAGNOSTICS FOR ENGINE STARTING FAILURE>FUEL PUMP CIRCUIT .

    No:  Go to  3.

  3. CHECK IGNITION COIL POWER SUPPLY CIRCUIT. 
    1. Turn the ignition switch to OFF.
    2. Disconnect the connector from ignition coil.
    3. Turn the ignition switch to ON.
    4. Measure the power supply voltage between ignition coil connector and engine ground.

      Connector & terminal 

      (E31) No. 3 (+) - Engine ground (-):

      (E32) No. 3 (+) - Engine ground (-):

      (E33) No. 3 (+) - Engine ground (-):

      (E34) No. 3 (+) - Engine ground (-):

    Is the voltage 10 V or more?

    Yes:  Go to  4.

    No:  Repair the harness and connector.

    NOTE: In this case, repair the following item:
    • Open or short to ground in power supply circuit
    • Poor contact of coupling connector
    • Blown out of fuse
  4. CHECK HARNESS OF IGNITION COIL GROUND CIRCUIT. 
    1. Turn the ignition switch to OFF.
    2. Measure the resistance between ignition coil connector and engine ground.

      Connector & terminal 

      (E31) No. 2 - Engine ground:

      (E32) No. 2 - Engine ground:

      (E33) No. 2 - Engine ground:

      (E34) No. 2 - Engine ground:

    Is the resistance less than 1 Ω?

    Yes:  Go to  5.

    No:  Repair the open circuit in harness between ignition coil connector and engine ground.

  5. CHECK HARNESS BETWEEN ECM AND IGNITION COIL CONNECTOR. 
    1. Turn the ignition switch to OFF.
    2. Disconnect the connector from ECM.
    3. Disconnect the connector from ignition coil.
    4. Measure the resistance of harness between ECM connector and ignition coil connector.

      Connector & terminal 

      (B134) No. 21 - (E31) No. 1:

      (B134) No. 22 - (E32) No. 1:

      (B134) No. 31 - (E33) No. 1:

      (B134) No. 32 - (E34) No. 1:

    Is the resistance less than 1 Ω?

    Yes:  Go to  6.

    No:  Repair the harness and connector.

    NOTE: In this case, repair the following item:
    • Open circuit of harness between ECM connector and the ignition coil connector
    • Poor contact of coupling connector
  6. CHECK HARNESS BETWEEN ECM AND IGNITION COIL CONNECTOR. 

    Measure the resistance of harness between ECM connector and engine ground.

    Connector & terminal 

    (B134) No. 21 - Engine ground:

    (B134) No. 22 - Engine ground:

    (B134) No. 31 - Engine ground:

    (B134) No. 32 - Engine ground:

    Is the resistance 1 Ω or more?

    Yes:  Go to  7.

    No:  Repair the ground short circuit of harness between ECM connector and ignition coil connector.

  7. CHECK FOR POOR CONTACT. 

    Check for poor contact of ECM connector.

    Is there poor contact of ECM connector?

    Yes:  Repair the poor contact of ECM connector.

    No:  Replace the ignition coil. Refer to IGNITION (STI)>IGNITION COIL .