lemon-mirror:
Home >> Suzuki >> 1989 >> Sidekick JA, Automatic >> Repair and Diagnosis >> Engine Performance >> System >> Tests W/Codes >> Trouble Code Charts

Trouble Code Charts

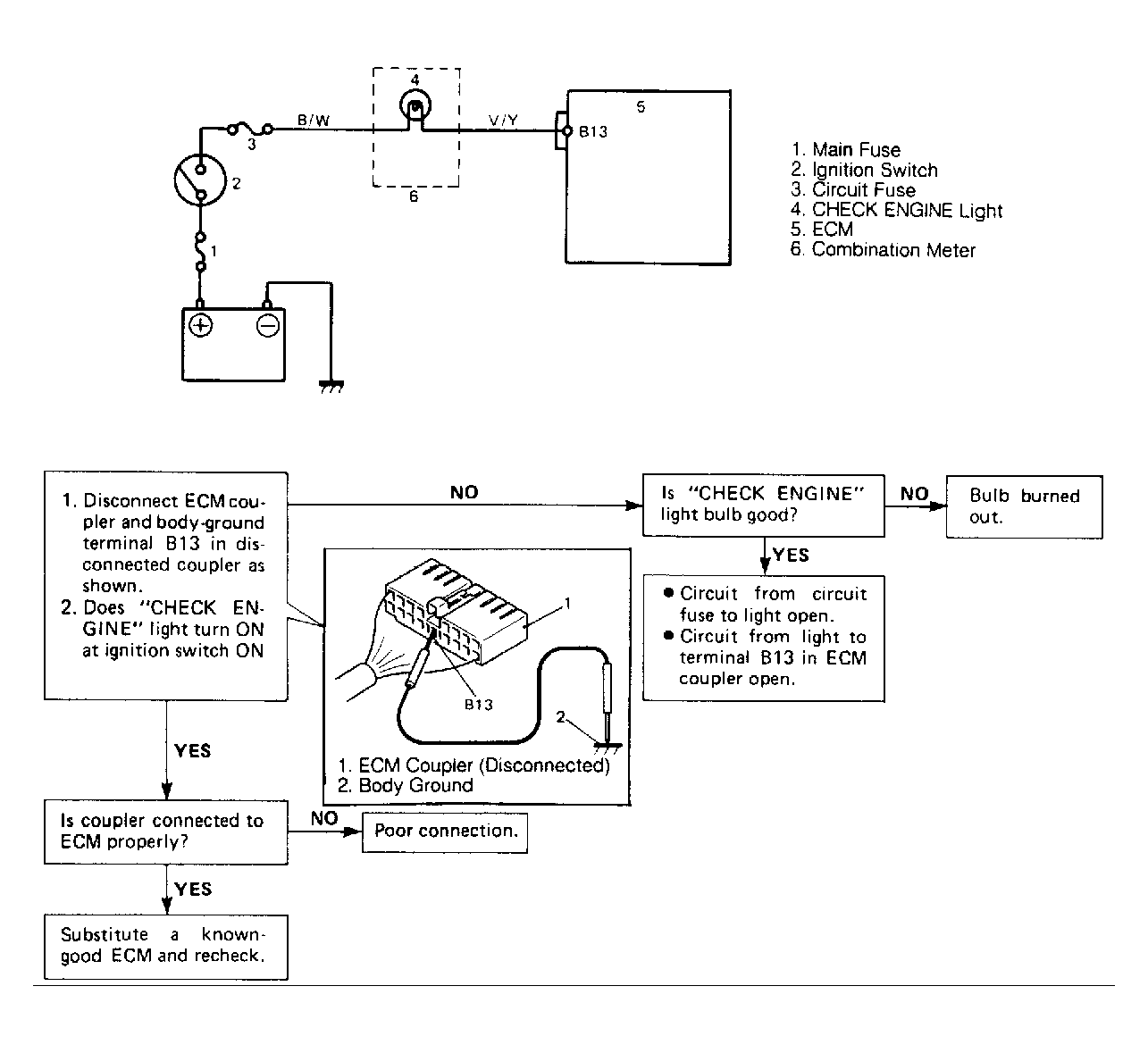
Fig 1: Initial Diagnostic Procedure
G119585Courtesy of SUZUKI OF AMERICA CORP.
Fig 2: A2 - Check Engine Light Inoperative
G119587Courtesy of SUZUKI OF AMERICA CORP.
Fig 3: A2 - Check Engine Light Stays On - Won't Flash (1 of 2)
G119588Courtesy of SUZUKI OF AMERICA CORP.
Fig 4: A3 - Check Engine Light Stays On - Won't Flash (2 of 2)
G119589Courtesy of SUZUKI OF AMERICA CORP.
Fig 5: Code 13 - Oxygen Sensor Circuit (1 of 2)
G119590Courtesy of SUZUKI OF AMERICA CORP.
Fig 6: Code 13 - Oxygen Sensor Circuit (2 of 2)
G119591Courtesy of SUZUKI OF AMERICA CORP.
Fig 7: Code 14 - Coolant Temperature Sensor Indication Low
G119592Courtesy of SUZUKI OF AMERICA CORP.
Fig 8: Code 15 - Coolant Temperature Sensor Indication High
G119593Courtesy of SUZUKI OF AMERICA CORP.
Fig 9: Code 21 - Throttle Position Sensor Circuit Indication High
G119594Courtesy of SUZUKI OF AMERICA CORP.
Fig 10: Code 22 - Throttle Position Sensor Circuit Indication Low
G119595Courtesy of SUZUKI OF AMERICA CORP.
Fig 11: Code 23 - Air Temperature Sensor Circuit Indication Low
G119596Courtesy of SUZUKI OF AMERICA CORP.
Fig 12: Code 25 - Air Temperature Sensor Circuit Indication High
G119597Courtesy of SUZUKI OF AMERICA CORP.
Fig 13: Code 31 - Pressure Sensor Circuit Voltage High
G119598Courtesy of SUZUKI OF AMERICA CORP.
Fig 14: Code 32 - Pressure Sensor Circuit Voltage Low
G119599Courtesy of SUZUKI OF AMERICA CORP.
Fig 15: Code 41 - No Ignition Signal
G119600Courtesy of SUZUKI OF AMERICA CORP.
Fig 16: Code 42 - Fifth Gear Switch Circuit Grounded (M/T)
G119601Courtesy of SUZUKI OF AMERICA CORP.
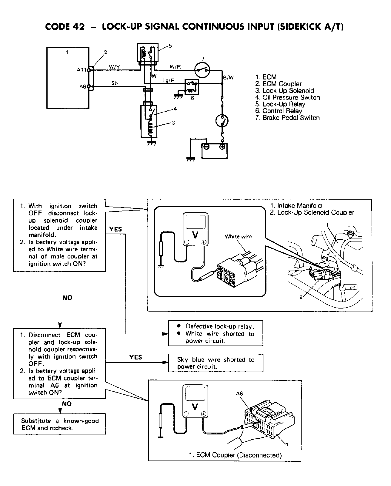
Fig 17: Code 42 - Lock-Up Signal Continuous Input (A/T)
G119602Courtesy of SUZUKI OF AMERICA CORP.
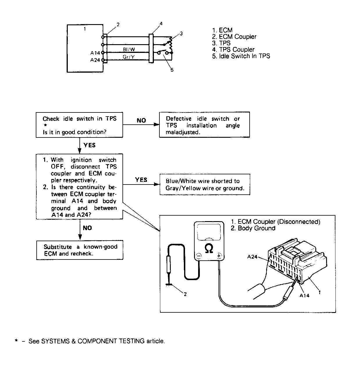
Fig 18: Code 44 - Idle Switch Circuit Open Or Misadjusted
G119603Courtesy of SUZUKI OF AMERICA CORP.
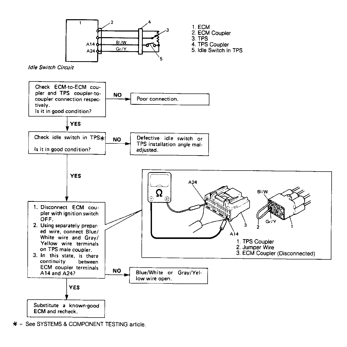
Fig 19: Code 45 - Idle Switch Circuit Shorted Or Misadjusted
G119604Courtesy of SUZUKI OF AMERICA CORP.
Fig 20: Code 51 - EGR System Circuit Check (Calif. Only)
G119605Courtesy of SUZUKI OF AMERICA CORP.
Fig 21: Code 53 - ECM Ground Circuit Check (Calif. Only)
G119606Courtesy of SUZUKI OF AMERICA CORP.