lemon-mirror:
Home >> Suzuki >> 1989 >> Swift GLX, Automatic >> Repair and Diagnosis >> Engine Performance >> System >> Tests W/Codes >> Trouble Code Charts

Trouble Code Charts

Fig 1: A1 - ECM Power Supply & Ground Circuit Check (Swift)
G119586Courtesy of SUZUKI OF AMERICA CORP.
Fig 2: Initial Diagnostic Procedure
G119607Courtesy of SUZUKI OF AMERICA CORP.
Fig 3: A1 - ECM Power Supply & Ground Circuit Check
G119608Courtesy of SUZUKI OF AMERICA CORP.
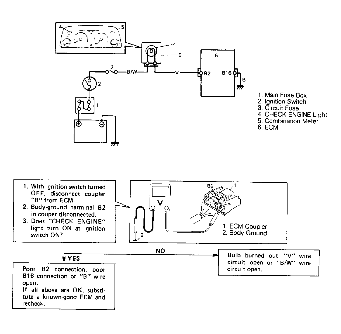
Fig 4: A2 - Check Engine Light Inoperative
G119609Courtesy of SUZUKI OF AMERICA CORP.
Fig 5: A3 - Check Engine Light Stays On - Won't Flash
G119610Courtesy of SUZUKI OF AMERICA CORP.
Fig 6: Code 13 Schematic - O2 Sensor Circuit
G91J18522Courtesy of SUZUKI OF AMERICA CORP.
Fig 7: Code 13 Flow Chart - O2 Sensor Circuit
G91A18523Courtesy of SUZUKI OF AMERICA CORP.
Fig 8: Code 14 - Coolant Temperature Sensor Indication Low
G119612Courtesy of SUZUKI OF AMERICA CORP.
Fig 9: Code 15 - Coolant Temperature Sensor Indication High
G119613Courtesy of SUZUKI OF AMERICA CORP.
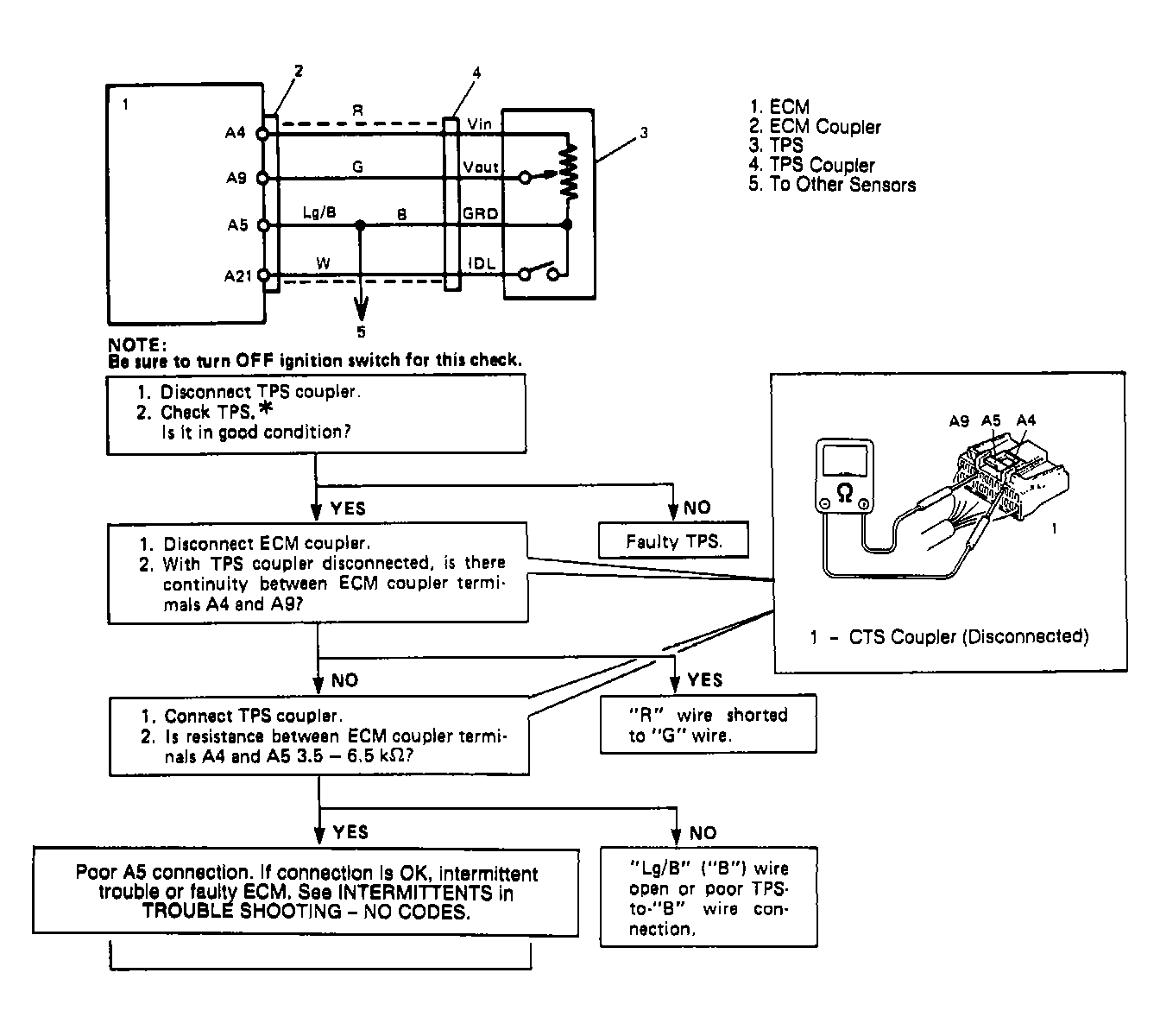
Fig 10: Code 21 - Throttle Position Sensor Voltage High
G119614Courtesy of SUZUKI OF AMERICA CORP.
Fig 11: Code 22 - Throttle Position Sensor Voltage Low
G119615Courtesy of SUZUKI OF AMERICA CORP.
Fig 12: Code 24 - Speed Sensor Circuit Check
G119616Courtesy of SUZUKI OF AMERICA CORP.
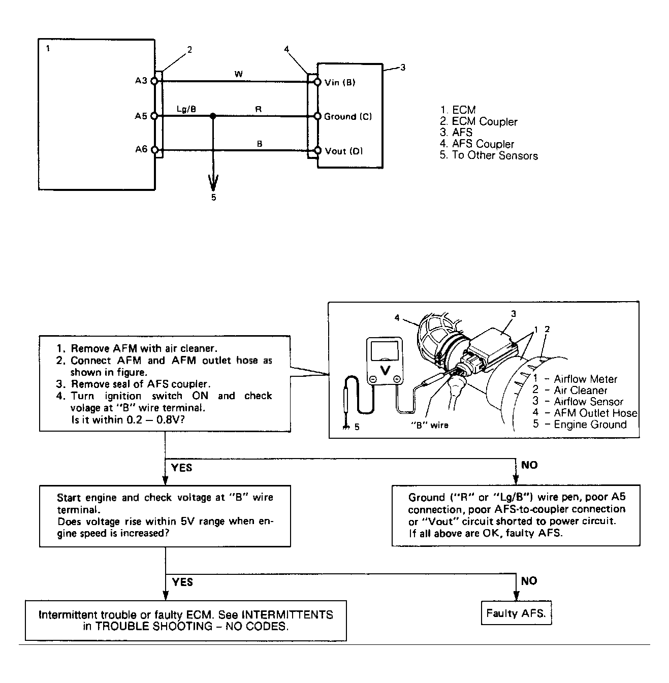
Fig 13: Code 33 - Airflow Sensor Circuit Signal Voltage High
G119617Courtesy of SUZUKI OF AMERICA CORP.
Fig 14: Code 34 - Airflow Sensor Circuit Signal Voltage Low
G119618Courtesy of SUZUKI OF AMERICA CORP.
Fig 15: Code 41 - No Ignition Signal
G119619Courtesy of SUZUKI OF AMERICA CORP.
Fig 16: Code 42 - Crank Angle Sensor (CAS) Circuit Check
G119620Courtesy of SUZUKI OF AMERICA CORP.
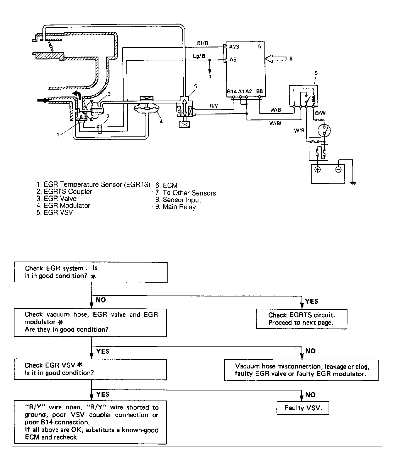
Fig 17: Code 51 - EGR System Circuit Check (1 of 2)
G119621Courtesy of SUZUKI OF AMERICA CORP.
Fig 18: Code 51 - EGR System Circuit Check (2 of 2)
G119622Courtesy of SUZUKI OF AMERICA CORP.
Fig 19: Code 52 - Fuel Injection Check (Calif. Only)
G119623Courtesy of SUZUKI OF AMERICA CORP.