lemon-mirror:
Home >> Suzuki >> 2002 >> Aerio S, Automatic >> Repair and Diagnosis >> Electrical >> Starters >> Overhaul

Repair and Diagnosis: Electrical: Starters: Overhaul

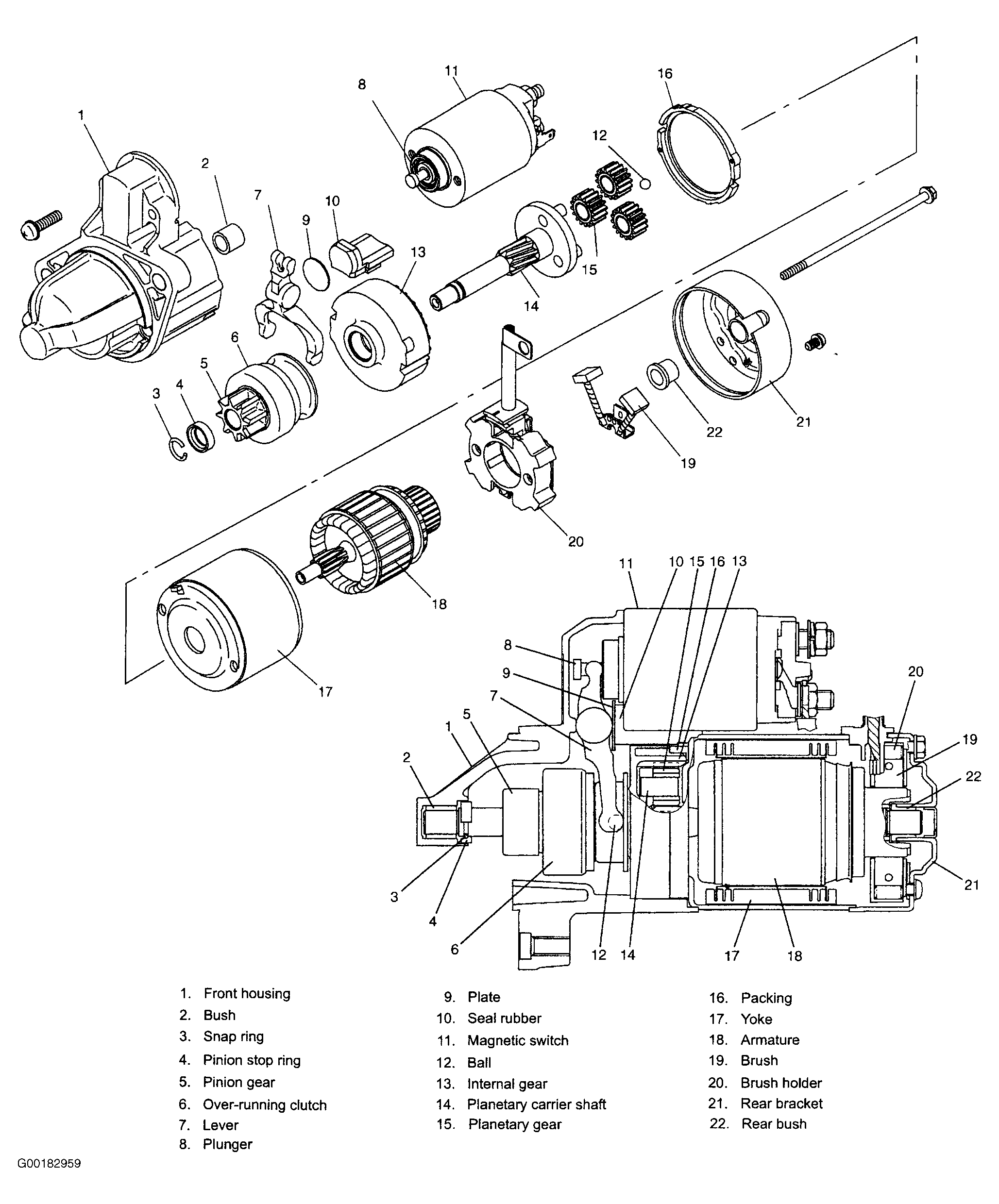
Use exploded view of starter for overhaul. See Fig 1 .

Fig 1: Exploded View Starter Motor
G00182959Courtesy of SUZUKI OF AMERICA CORP.