lemon-mirror:
Home >> Suzuki >> 2005 >> Reno EX >> Repair and Diagnosis >> Transmission >> Automatic Trans >> Automatic Transmission >> Repair Instructions >> Gear Shift Control Components

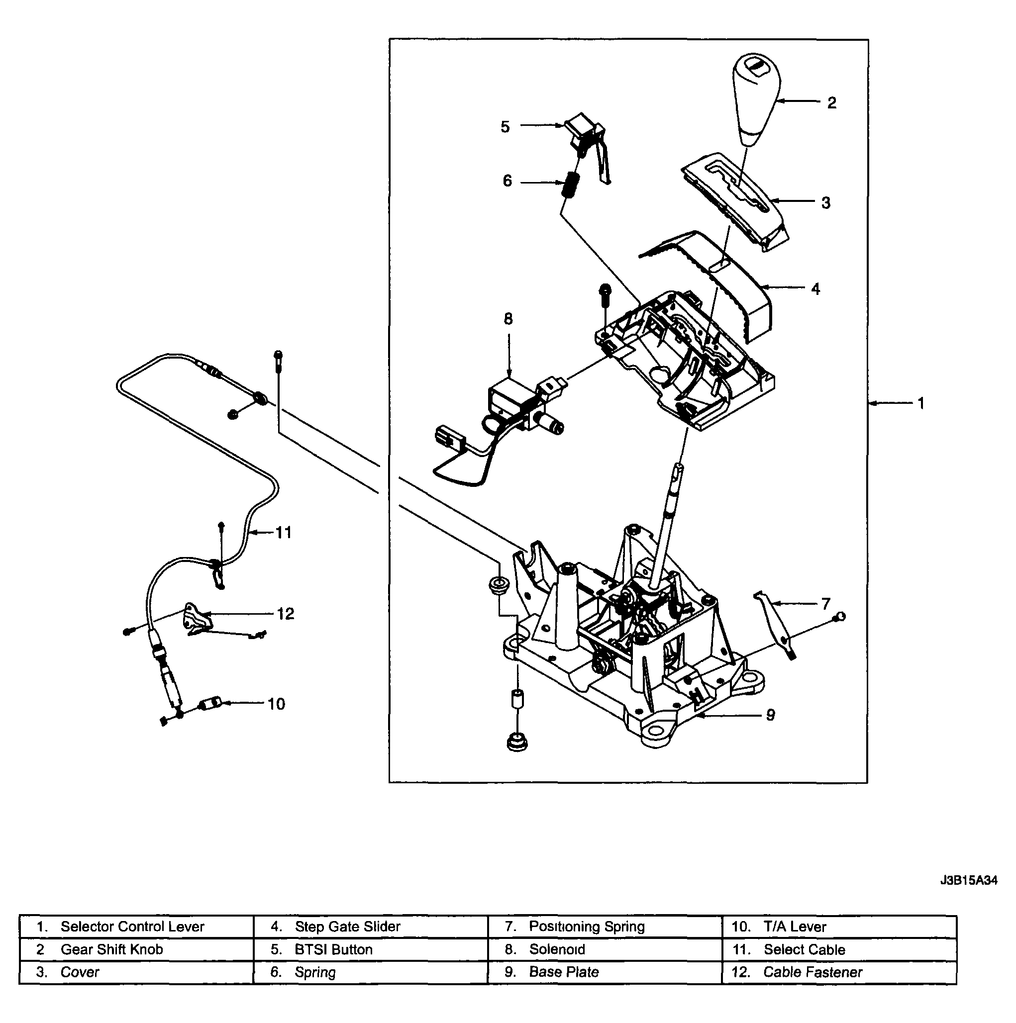
Gear Shift Control Components

Fig 1: Identifying Gear Shift Control Components
G04103517Courtesy of SUZUKI OF AMERICA CORP.