lemon-mirror:
Home >> Suzuki >> 2005 >> Verona EX >> Repair and Diagnosis >> Transmission >> Automatic Transmission >> Repair Instructions >> Gear Shift Control Components

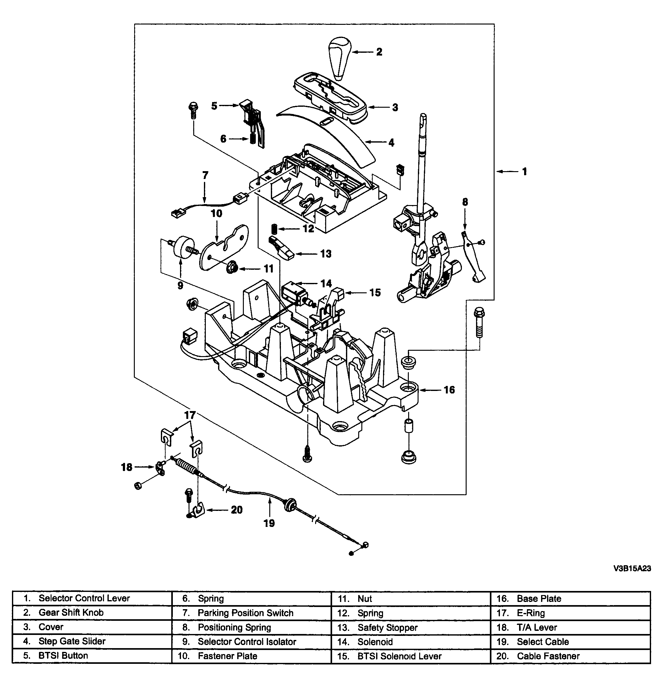
Gear Shift Control Components

Fig 1: Identifying Gear Shift Control Components
G04095409Courtesy of SUZUKI OF AMERICA CORP.