lemon-mirror:
Home >> Suzuki >> 2006 >> Verona Base >> Repair and Diagnosis >> Engine Performance >> System >> Engine Control System - DTC P0461 Through U0121 >> DTC P0564: Cruise Control Multi-Function Switch Circuit >> Notes

DTC P0564: Cruise Control Multi-Function Switch Circuit: Notes

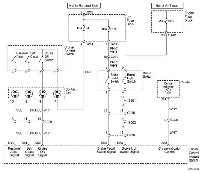
Fig 1: Cruise Control Multi-Function Switch Circuit - Wiring Diagram
G04718747Courtesy of SUZUKI OF AMERICA CORP.