lemon-mirror:
Home >> Suzuki >> 2012 >> Equator RMZ-4 >> Repair and Diagnosis >> Transmission >> Automatic Transmission System >> Repair Instructions >> Transmission Assembly: Component

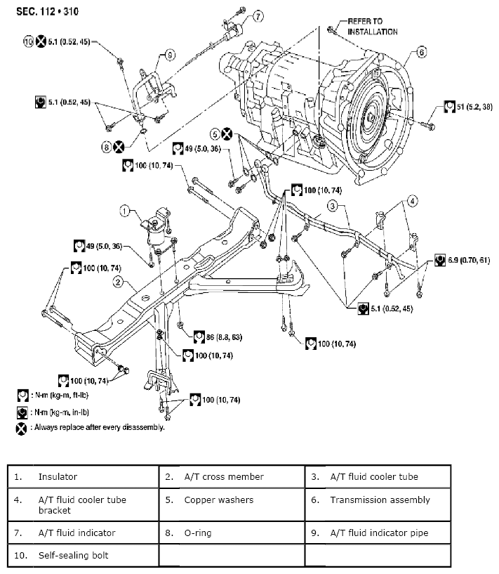
Transmission Assembly: Component

Fig 1: Exploded View Of Transmission Assembly (QR25DE)
G06442903Courtesy of SUZUKI OF AMERICA CORP.
Fig 2: Exploded View Of Transmission Assembly (VQ40DE 2WD Models)
G06442904Courtesy of SUZUKI OF AMERICA CORP.
Fig 3: Exploded View Of Transmission Assembly (VQ40DE 4WD Models)
G06442905Courtesy of SUZUKI OF AMERICA CORP.