lemon-mirror:
Home >> Suzuki >> 2012 >> SX4 Base >> Repair and Diagnosis >> Electrical >> Charging Systems >> General Description >> Generator Description

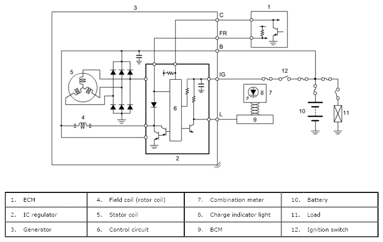
Generator Description

The generator is a small and high performance type with an IC regulator incorporated. The internal components are connected electrically as shown in the following figure.

The generator features are as follows: