ESP® Hydraulic Unit/Control Module Assembly
- ESP® (ABS) hydraulic unit/control module assembly detects wheel slip by the signal from wheel speed sensor of each wheel and sends control signals to the hydraulic unit.
ESP® hydraulic unit/control module assembly also monitors system conditions and stops the function of ABS and lights the ABS warning light in case it judges that the system is faulty.
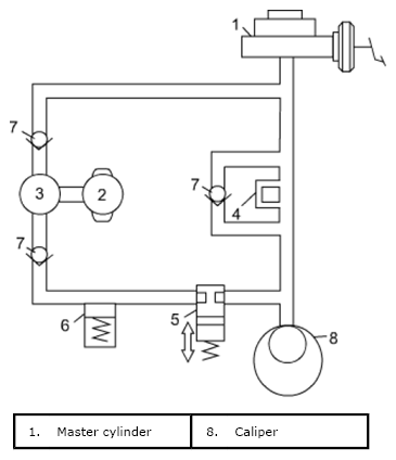
- ESP® hydraulic unit is composed of inlet solenoid valves (4) (normally-opened valves), outlet solenoid valves (5) (normally-closed valves), pumps (3) pump motor (2), reservoirs (6) and check valves (7).
It activates the inlet and outlet solenoid valves by the signals from ESP® hydraulic unit/control module assembly and controls the brake fluid pressure applied on each wheel brake. (The following figure shows the circuit for one wheel, with inlet and outlet solenoid valves in OFF positions.)
The hydraulic pressure control is performed in 3 modes of pressure increase, pressure keeping and pressure reduction.
- In the pressure increase mode, inlet and outlet solenoid valves are turned OFF, and the brake fluid pressure applied from the master cylinder to the caliper is increased.
- In the pressure keeping mode, the inlet solenoid valve is turned ON, and the brake fluid pressure in the caliper is kept constant.
- In the pressure reduction mode, inlet and outlet solenoid valves are turned ON, and the brake fluid pressure applied to the caliper is released to the reservoir. Thus the brake pressure applied to the wheel likely to be locked is reduced. The brake fluid temporarily stored in the reservoir is pumped back to the master cylinder.