lemon-mirror:
Home >> Suzuki >> 2013 >> Kizashi Base, Standard Trans >> Repair and Diagnosis >> Brakes >> Traction Control >> Electronic Stability Program >> General Description >> ESP® Components Description >> ESP® Hydraulic Unit/Control Module

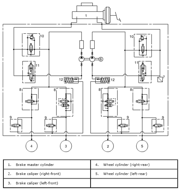
ESP® Hydraulic Unit/Control Module

The control module receives signals from each wheel speed sensor, ESP® OFF switch, brake master cylinder pressure sensor (7) and steering angle sensor. Based on these signals, the control module judges the vehicle conditions and controls the brake hydraulic pressure by combining the ON/OFF operation of the solenoid in the hydraulic unit and the pump motor operation.

The hydraulic unit contains an inlet solenoid valve (8) and an outlet solenoid valve (9) for each wheel as well as a cut solenoid valve (10) and a low pressure solenoid valve (11) for each hydraulic circuit. Also, a brake master cylinder pressure sensor, pump motor (6), etc. are included. The hydraulic pressure control is performed in 3 modes of pressure increase, pressure keeping and pressure reduction.