lemon-mirror:
Home >> Suzuki >> 2013 >> Kizashi Base, Standard Trans >> Repair and Diagnosis >> Electrical >> Charging Systems >> General Description >> Generator Description

Generator Description

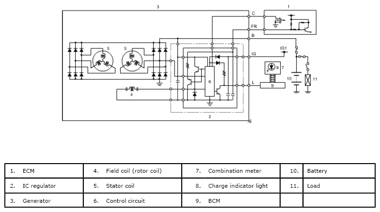
The generator is an IC regulator included. Internal components are connected electrically as shown in the illustration.

The generator features are as follows: