lemon-mirror:
Home >> Toyota >> 1972 >> Land Cruiser >> Repair and Diagnosis >> Engine Performance >> Ignition System >> Transmission Controlled Spark >> Description >> Notes

Transmission Controlled Spark: Description: Notes

NOTE: 4M engine used in Corona Mk II and Crown, and the 1973 F engine used in Land Cruiser, are equipped with an air injection system in addition to T.C.S. system.
NOTE: Some engines use other systems. See Toyota Improved Combustion System (With Transmission Controlled Spark).

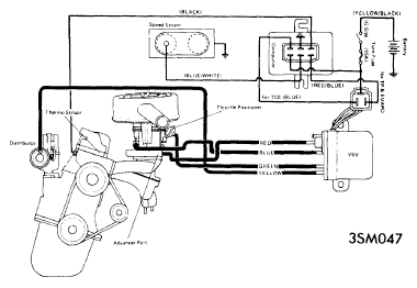
T.C.S. system is designed to control NOx and hydrocarbon emissions by controlling ignition timing advance. System consists of a thermo-sensor, vacuum switching valve, a speed sensor, a computer, and a specially calibrated distributor. In addition, the 2T-C engine has a mixture control valve to admit additional air to intake manifold during certain conditions of deceleration. All engines use a throttle positioner.

Fig 1: SYSTEM SCHEMATIC (3K-C ENGINE)
G09309511Courtesy of © TOYOTA, LICENSE AGREEMENT TMS1002