lemon-mirror:
Home >> Toyota >> 1972 >> Land Cruiser >> Repair and Diagnosis >> Engine Performance >> Ignition System >> Transmission Controlled Spark >> Operation

Transmission Controlled Spark: Operation

  1. When engine coolant temperature is between 140-212°F and vehicle speed is under 36 MPH (3K-C engine), 41 MPH (2T-C & F engines), or 62 MPH (18R-C and 4M engines) temperature and speed sensors close circuits to computer or speed marker relay. In turn, circuit to vacuum switching valve coil is closed and coil is energized. This turns on vacuum switching valve.
  2. On Land Cruiser models (F engine), vacuum switching valve allows vacuum to act on distributor retard diaphragm and ignition is thus retarded.
  3. On all other engines, when vacuum switching valve is turned on, it cuts off all vacuum to vacuum advance unit of distributor. Only centrifugal advance is then provided.
  4. Throttle positioner is also controlled, through speed sensor, by vacuum switching valve. At intermediate or high speeds, valve allows atmospheric air to diaphragm of throttle positioner. This sets throttle positioner lever so that when throttle is released, throttle valve contacts positioner and holds throttle in a slightly opened position.
    Fig 1: THROTTLE POSITIONER
    G09309515Courtesy of © TOYOTA, LICENSE AGREEMENT TMS1002
  5. When vehicle speed decreases to about 10 MPH, vacuum switching valve, because of signals from speed sensor, allows vacuum to diaphragm of throttle positioner. This releases throttle positioner lever from its set position and allows throttle valve to return to normal idling position.
  6. A mixture control valve is provided on 2T-C engines only. When idling or at low speed, speed sensor signals computer to cut off vacuum switching valve and no vacuum is allowed to mixture control valve. During normal running at intermediate and high speed, vacuum switching valve receives signals from speed sensor which allows vacuum to reach mixture control diaphragm. This vacuum is not high enough to activate the valve at this time. When throttle is released suddenly, additional vacuum created causes control valve to open momentarily and allows fresh air to be drawn through mixture control valve and into intake manifold.
    Fig 2: MIXTURE CONTROL VALVE OPERATION
    G09309516Courtesy of © TOYOTA, LICENSE AGREEMENT TMS1002
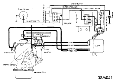
    Fig 3: SYSTEM SCHEMATIC (18R-C ENGINE, EXC. CELICA)
    G09309517Courtesy of © TOYOTA, LICENSE AGREEMENT TMS1002
    Fig 4: SYSTEM SCHEMATIC (18R-C ENGINE, CELICA)
    G09309518Courtesy of © TOYOTA, LICENSE AGREEMENT TMS1002