lemon-mirror:
Home >> Toyota >> 1983 >> Camry LE, 4D Hatchback >> Repair and Diagnosis >> Engine Performance >> System >> ECS Engine Control System >> Wiring Diagram

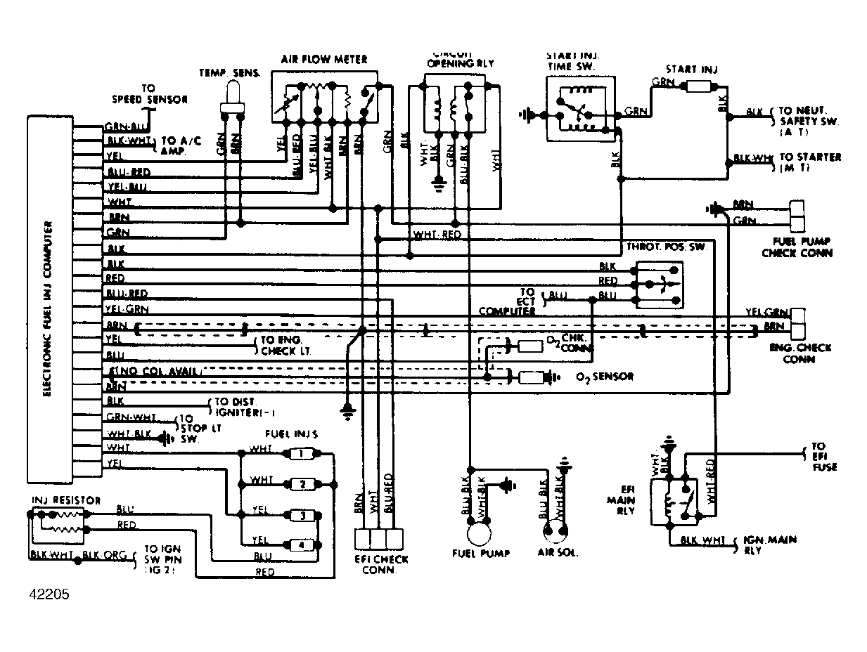
ECS Engine Control System: Wiring Diagram

Fig 1: ECS Wiring Diagram
G42205Courtesy of © TOYOTA, LICENSE AGREEMENT TMS1002