lemon-mirror:
Home >> Toyota >> 1983 >> Celica Supra Base, Automatic >> Repair and Diagnosis >> Engine Performance >> System >> TCCS Engine Control System >> Wiring Diagrams

Wiring Diagrams

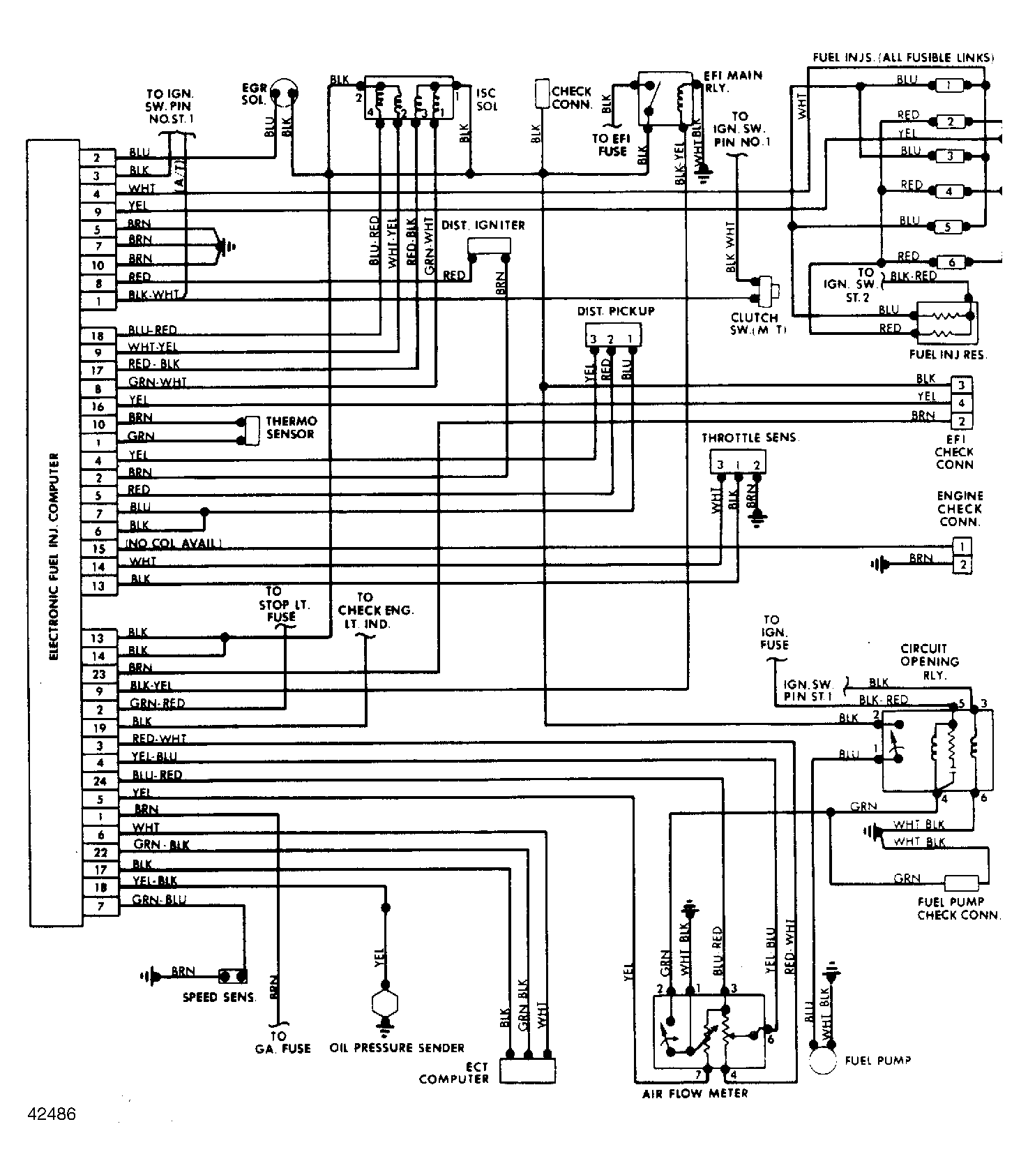
Fig 1: Cressida TCCS Wiring Diagram
G42486Courtesy of © TOYOTA, LICENSE AGREEMENT TMS1002
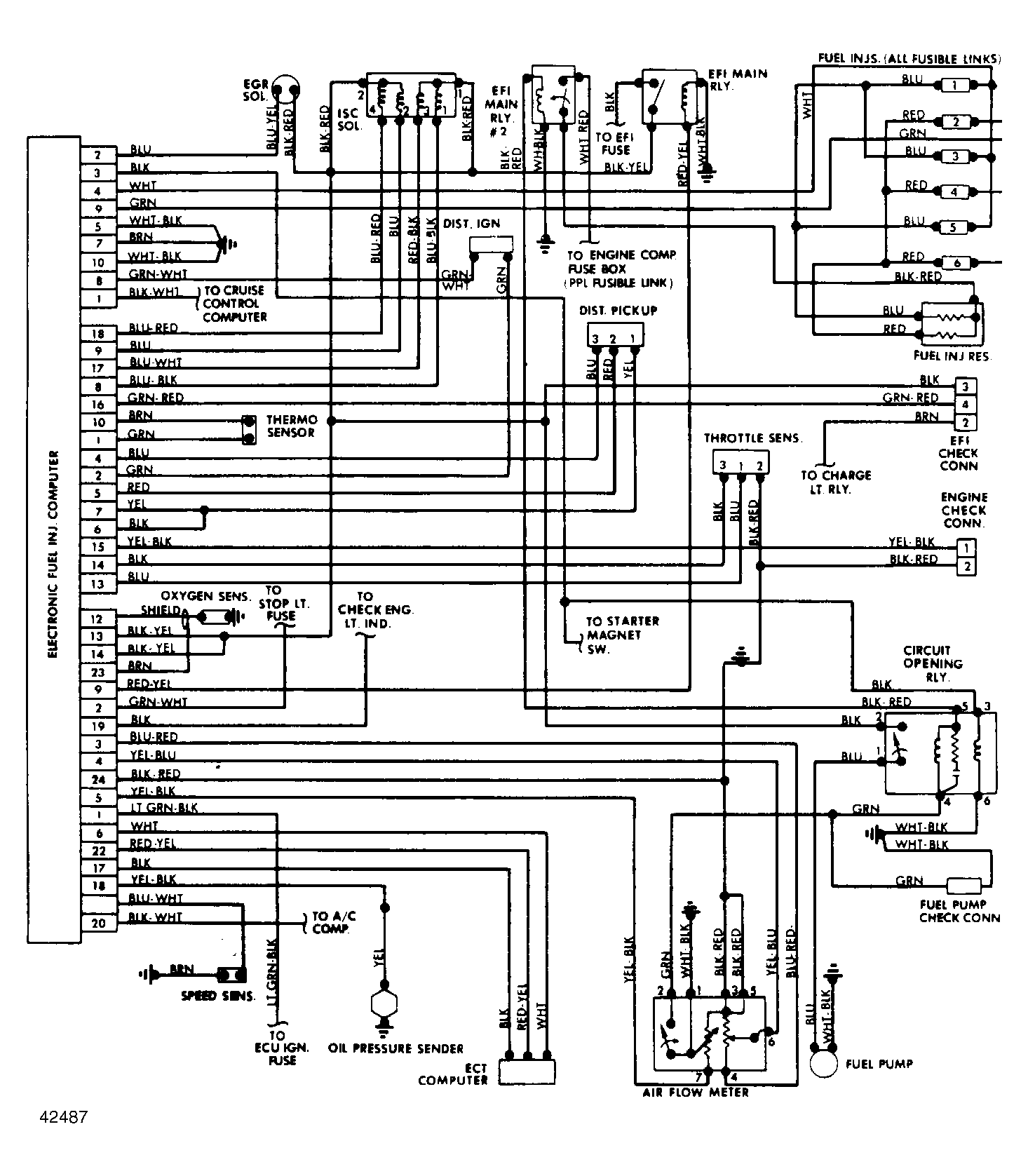
Fig 2: Supra TCCS Wiring Diagram
G42487Courtesy of © TOYOTA, LICENSE AGREEMENT TMS1002