lemon-mirror:
Home >> Toyota >> 1985 >> MR2 >> Repair and Diagnosis >> Engine Performance >> Ignition System - Electronic >> Description

Ignition System - Electronic: Description

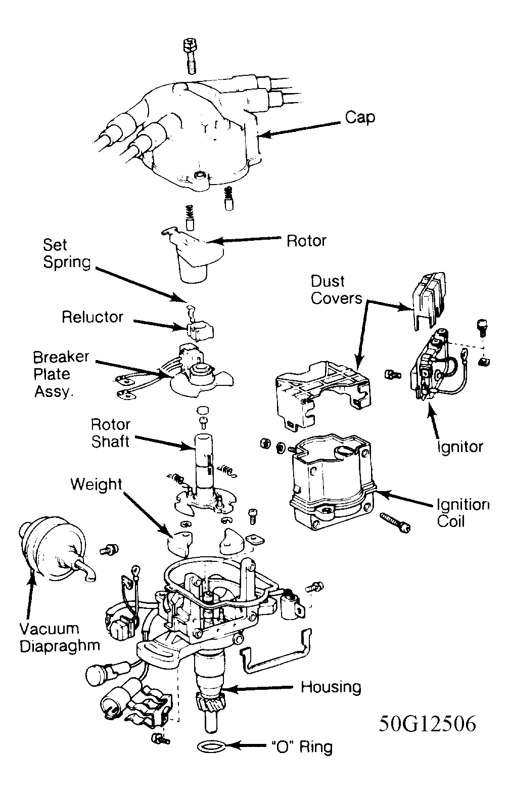
Nippondenso electronic ignition system includes a breakerless distributor, an ignitor, an ignition coil, and pick-up coil. Distributor consists of a housing, rotor, and cap. It contains a reluctor, breaker plate, and pick-up coil assembly. See Fig 1.

Ignitor and ignition coil are either inside distributor or transistorized ignitor is mounted on ignition coil housing. Celica and MR2 use Electronic Spark Advance (ESA). The system uses a computer to control spark advance.

Fig 1: Exploded View of Toyota Distributor
G50G12506Courtesy of © TOYOTA, LICENSE AGREEMENT TMS1002