lemon-mirror:
Home >> Toyota >> 1986 >> Van LE >> Repair and Diagnosis >> Engine Performance >> System >> TCCS System >> Wiring Diagrams

Wiring Diagrams

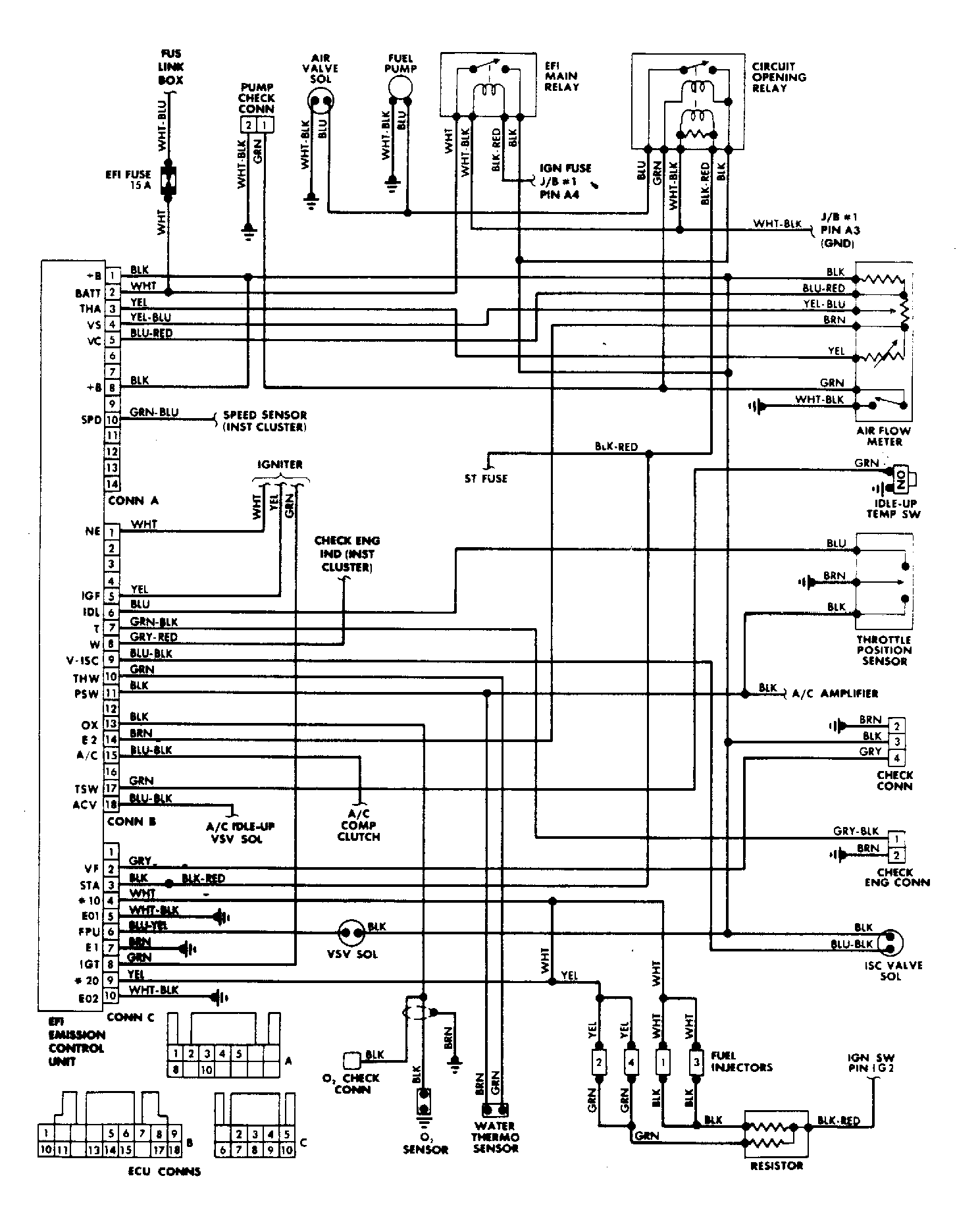
Fig 1: TCCS Wiring Diagram
G48621Courtesy of © TOYOTA, LICENSE AGREEMENT TMS1002