lemon-mirror:
Home >> Toyota >> 1987 >> Camry Base, Automatic >> Repair and Diagnosis >> Engine Performance >> System >> TCCS System >> Wiring Diagrams

Wiring Diagrams

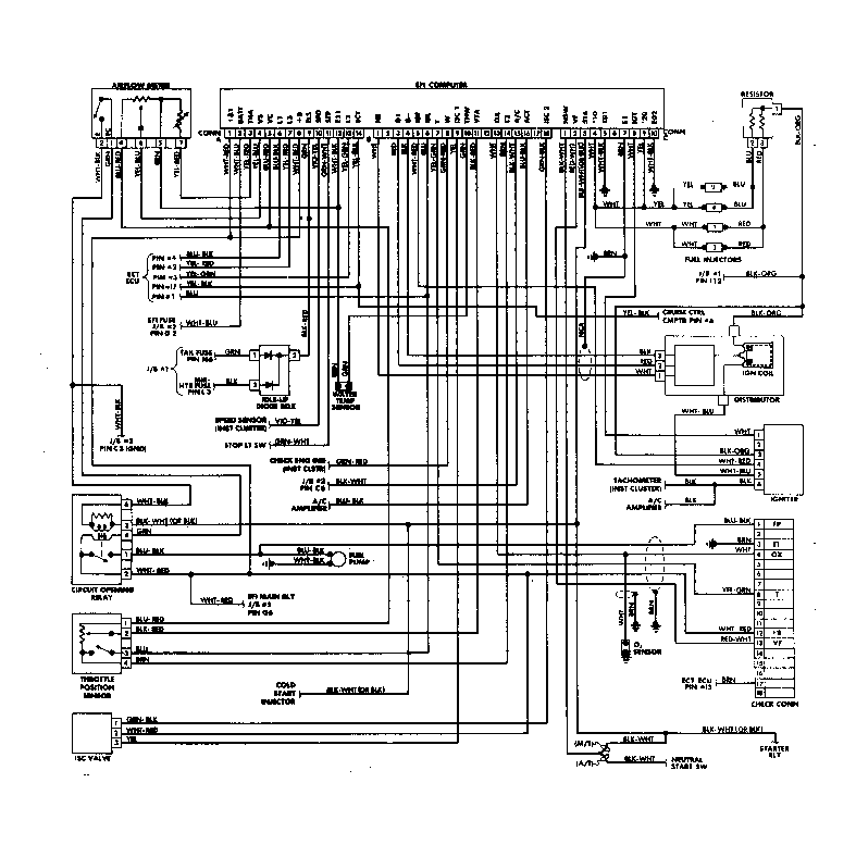
Fig 1: TCCS Wiring Diagram
G62154Courtesy of © TOYOTA, LICENSE AGREEMENT TMS1002