lemon-mirror:
Home >> Toyota >> 1987 >> Corolla LE, Automatic >> Repair and Diagnosis >> Engine Performance >> System >> TCCS System >> Wiring Diagrams

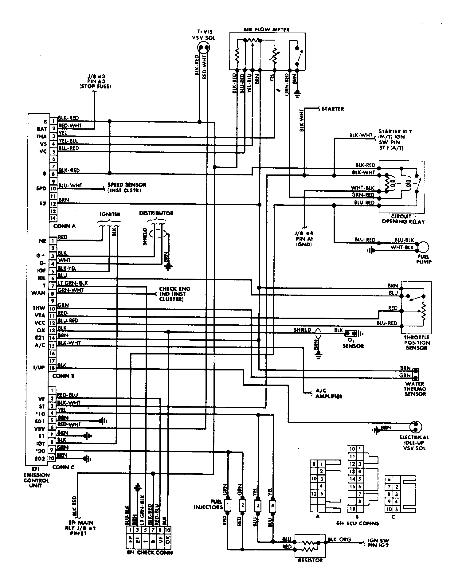
Wiring Diagrams

Fig 1: FWD (W/4A-GE Engine) TCCS Wiring Diagram
G62157Courtesy of © TOYOTA, LICENSE AGREEMENT TMS1002
Fig 2: RWD (W/4A-GE Engine) TCCS Wiring Diagram
G48616Courtesy of © TOYOTA, LICENSE AGREEMENT TMS1002