lemon-mirror:
Home >> Toyota >> 1988 >> Land Cruiser >> Repair and Diagnosis >> Engine Performance >> System >> Computer Control System >> Wiring Diagrams

Wiring Diagrams

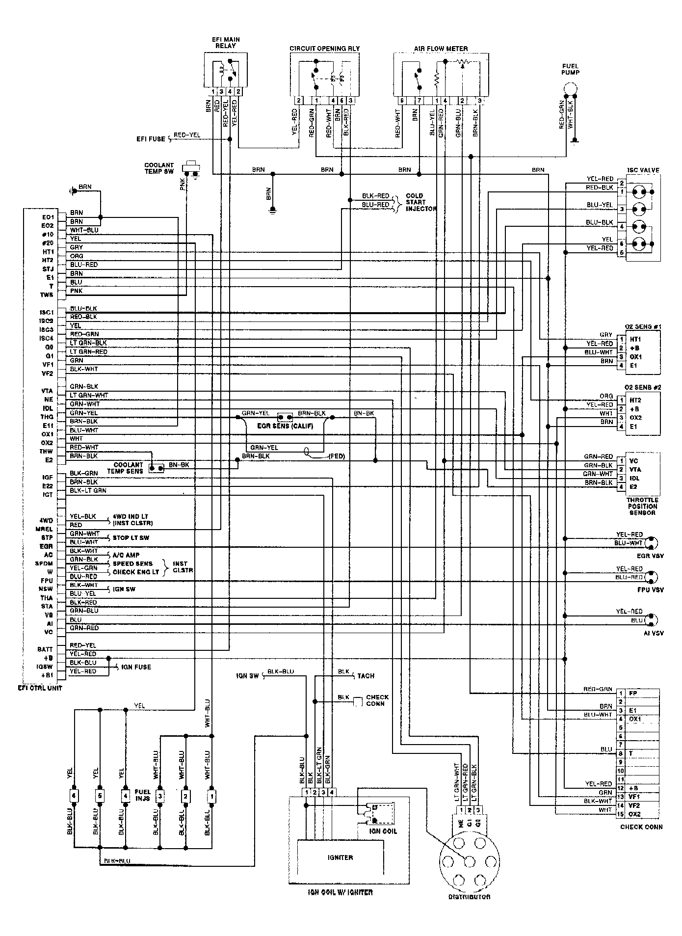
Fig 1: Toyota Computer Control System Wiring Diagram
G95451Courtesy of © TOYOTA, LICENSE AGREEMENT TMS1002