lemon-mirror:
Home >> Toyota >> 1994 >> Corolla Base, Automatic >> Repair and Diagnosis >> Engine Performance >> System >> Engine Controls - Tests W/Codes >> Trouble Code Charts >> DTC 41 - Throttle Position Sensor Signal

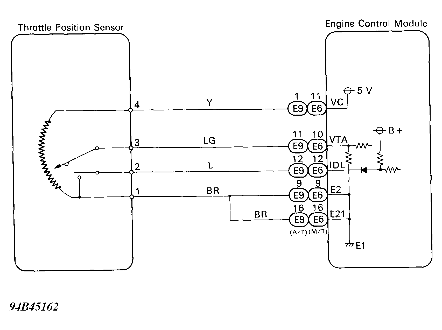
DTC 41 - Throttle Position Sensor Signal

DTC 41 is set when there is an open or short in throttle position sensor circuit for .5 second or more. Code will not set when throttle position connector is disconnected. Check for open or short in throttle position sensor circuit, a faulty throttle position sensor or ECM.

Fig 1: DTC 41 - Schematic
G94B45162Courtesy of © TOYOTA, LICENSE AGREEMENT TMS1002
Fig 2: DTC 41 - Diagnostic Flowchart (1 Of 2)
G93B80052Courtesy of © TOYOTA, LICENSE AGREEMENT TMS1002
Fig 3: DTC 41 - Diagnostic Flowchart (2 Of 2)
G94C45163Courtesy of © TOYOTA, LICENSE AGREEMENT TMS1002