lemon-mirror:
Home >> Toyota >> 2002 >> 4Runner Base >> Repair and Diagnosis >> Brakes >> Traction Control >> Anti-Lock Brake System W/VSC >> System Testing >> Test G: TC Terminal Circuit >> Testing Procedure

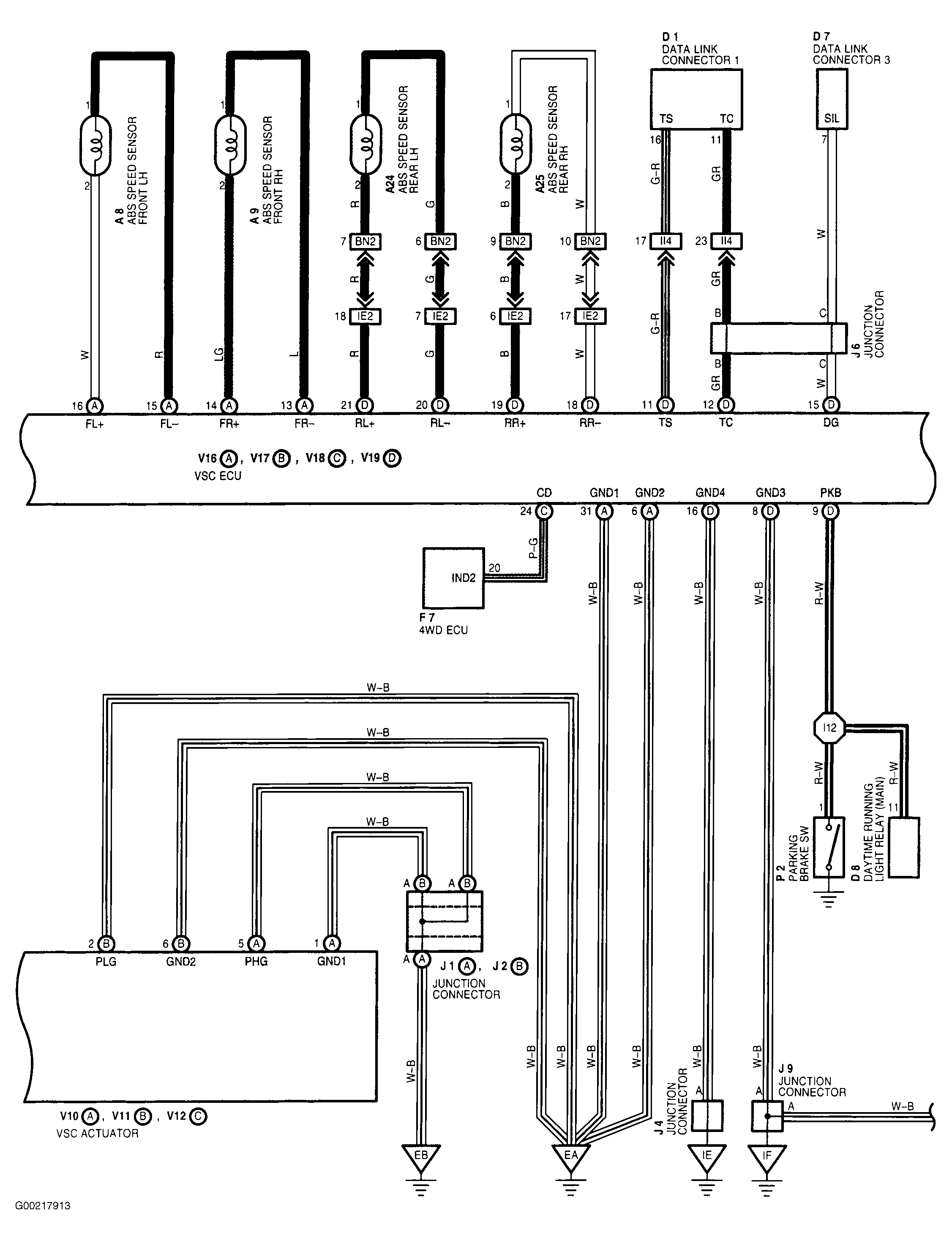
Testing Procedure

For wiring diagram see Figure. For testing procedure see Fig 1.

Fig 1: Testing Procedures Tc Terminal Circuit
G00217907Courtesy of © TOYOTA, LICENSE AGREEMENT TMS1002