lemon-mirror:
Home >> Toyota >> 2002 >> Camry XLE, 3.0 F >> Repair and Diagnosis >> Body & Frame >> Windows >> Power Window Control System >> Power Window Control System >> Inspection

Power Window Control System: Inspection

  1. Inspect power window regulator master switch assembly.
    1. Check the continuity between each terminal of the connector, operating the switch.
      Fig 1: Displaying Power Window Regulator Master Switch Terminal
      G02144456Courtesy of © TOYOTA, LICENSE AGREEMENT TMS1002
      NOTE: Whether the operation is good or bad can be judged by the basic function check, because the continuity cannot be checked by UP/DOWN operation of the front RH side (driver's side) switch.

      Window unlock:

      Fig 2: Displaying Window Unlock Connections
      G02144457Courtesy of © TOYOTA, LICENSE AGREEMENT TMS1002
      Fig 3: Displaying Window Lock Connections
      G02144458Courtesy of © TOYOTA, LICENSE AGREEMENT TMS1002

      If the continuity is not as specified, replace the switch.

  2. Inspect power window regulator switch assembly.
      Fig 4: Displaying Power Window Regulator Switch Terminal
      G02144460Courtesy of © TOYOTA, LICENSE AGREEMENT TMS1002
    1. Check the continuity between each terminal of the connector, operating the switch.
      Fig 5: Checking Continuity Between Each Terminal
      G02144459Courtesy of © TOYOTA, LICENSE AGREEMENT TMS1002

      If the continuity is not as specified, replace the switch.

  3. Inspect power window regulator motor assembly LH.
    1. Inspect the operation of the front LH side power window regulator motor assembly.
        Fig 6: Inspecting Power Window Regulator Motor Assembly LH
        G02144462Courtesy of © TOYOTA, LICENSE AGREEMENT TMS1002
      1. When adding the battery voltage to each connector terminal, check that the motor operates smoothly.
      Fig 7: Checking Conditions & Directions Operation
      G02144461Courtesy of © TOYOTA, LICENSE AGREEMENT TMS1002
    2. Check the PTC operation inside the power window regulator motor.
      NOTE: Work must be done with the power window regulator and door glass installed in the vehicle.
      1. Set the DC 400 A probe of TOYOTA electrical tester to terminal 4 or 5 of the wire harness.
        NOTE: Match the arrow mark of the probe with the current direction.
      2. Set the door glass at the fully-closed position.
      3. When approximately 60 seconds have passed after fully closing the door glass, check how long the current when pressing the power regulator switch UP again (at initial time) takes to change from approximately 16-34 A to less than 1 A.

        Standard: Approx. 4-90 seconds 

      4. When approximately 60 seconds have passed after the cutoff checking, check that the door glass will go down when the power regulator switch is pressed DOWN.
  4. Inspect power window regulator motor assembly RH.
    1. Inspect the operation of the front RH side power window regulator motor assembly.
        Fig 8: Inspecting Power Window Regulator Motor Assembly RH
        G02144464Courtesy of © TOYOTA, LICENSE AGREEMENT TMS1002
      1. When adding the battery voltage to each connector terminal, check that the motor operates smoothly.
        Fig 9: Checking Conditions & Directions Operation
        G02144463Courtesy of © TOYOTA, LICENSE AGREEMENT TMS1002
    2. Check the PTC operation inside the power window regulator motor.
      NOTE: Work must be done with the power window regulator and door glass installed in the vehicle.
      1. Set the DC 400 A probe of TOYOTA electrical tester to terminal 4 or 5 of the wire harness.
        NOTE: Match the arrow mark of the probe with the current direction.
      2. Set the door glass at the fully-closed position.
      3. When approximately 60 seconds have passed after fully closing the door glass, check how long the current when pressing the power regulator switch UP again (at initial time) takes to change from approximately 16-34 A to less than 1 A.

        Standard: Approx. 4-90 seconds 

      4. When approximately 60 seconds have passed after the cutoff checking, check that the door glass will go down when the power regulator switch is pressed DOWN.
  5. Inspect power window regulator motor assembly LH.
    1. Inspect the operation of the rear LH side power window regulator motor assembly.
        Fig 10: Inspecting Power Window Regulator Motor Assembly LH
        G02144466Courtesy of © TOYOTA, LICENSE AGREEMENT TMS1002
      1. When adding the battery voltage to each connector terminal, check that the motor operates smoothly.
        Fig 11: Checking Conditions & Directions Operation
        G02144465Courtesy of © TOYOTA, LICENSE AGREEMENT TMS1002
    2. Check the PTC operation inside the power window regulator motor.
      NOTE: Work must be done with the power window regulator and door glass installed in the vehicle.
      1. Set the DC 400 A probe of TOYOTA electrical tester to terminal 4 or 5 of the wire harness.
        NOTE: Match the arrow mark of the probe with the current direction.
      2. Set the door glass at the fully-closed position.
      3. When approximately 60 seconds have passed after fully closing the door glass, check how long the current when pressing the power regulator switch UP again (at initial time) takes to change from approximately 16-34 A to less than 1 A.

        Standard: Approx. 4 - 90 seconds

      4. When approximately 60 seconds have passed after the cutoff checking, check that the door glass will go down when the power regulator switch is pressed DOWN.
  6. Inspect power window regulator motor assembly RH.
    1. Inspect the operation of the rear RH side power window regulator motor assembly.
        Fig 12: Inspecting Power Window Regulator Motor Assembly LH
        G02144468Courtesy of © TOYOTA, LICENSE AGREEMENT TMS1002
      1. When adding the battery voltage to each connector terminal, check that the motor operates smoothly.
        Fig 13: Checking Conditions & Directions Operation
        G02144467Courtesy of © TOYOTA, LICENSE AGREEMENT TMS1002
    2. Check the PTC operation inside the power window regulator motor.
      NOTE: Work must be done with the power window regulator and door glass installed to the vehicle.
      1. Set the DC 400 A probe of TOYOTA electrical tester to terminal 4 or 5 of the wire harness.
        NOTE: Match the arrow mark of the probe with the current direction.
      2. Set the door glass at the fully-closed position.
      3. When approximately 60 seconds have passed after fully closing the door glass, check how long the current when pressing the power regulator switch UP again (at initial time) takes to change from approximately 16-34 A to less than 1 A.

        Standard: Approx. 4 - 90 seconds

      4. When approximately 60 seconds have passed after the cutoff checking, check that the door glass will go down when the power regulator switch is pressed DOWN.
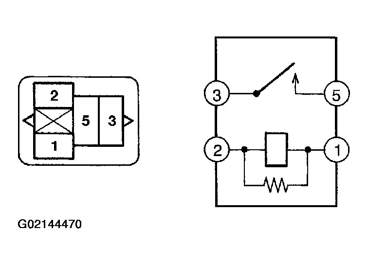
  7. Inspect power window relay assembly.
      Fig 14: Displaying Power Window Relay
      G02144470Courtesy of © TOYOTA, LICENSE AGREEMENT TMS1002
    1. Inspect the power window relay continuity.
      Fig 15: Displaying Continuity Based On Conditions
      G02144469Courtesy of © TOYOTA, LICENSE AGREEMENT TMS1002

      If the continuity is not as specified, replace the relay.