lemon-mirror:
Home >> Toyota >> 2003 >> Camry XLE, 2.4 E >> Repair and Diagnosis >> Body & Frame >> Windows >> Power Window Control System >> Inspection

Power Window Control System: Inspection

  1. INSPECT POWER WINDOW REGULATOR MASTER SWITCH ASSY 
    1. Check the continuity between each terminal of the connector.
      Fig 1: Identifying Power Window Regulator Master Switch Assy Terminal
      G02823571Courtesy of © TOYOTA, LICENSE AGREEMENT TMS1002
    NOTE: Whether the operation is good or bad can be judged by the basic function check, because the continuity cannot be checked by UP/DOWN operation of the driver side switch.

    Standard (Window unlock): 

    POWER WINDOW UNLOCK POSITION TERMINAL

    Switch Position Passenger Side Terminals No. Rear RH Terminals No. Rear LH Terminals No.
    UP 6 - 13(1)(6 - 18(2)), 1 - 15 6 - 18(1)(6 - 10(2)), 1 - 16 6 - 12, 1 - 10(1)(1 - 13(2))
    OFF 1 - 13(1)(1 - 18(2)), 1 - 15 1 - 18(1)(1 - 10(2)), 1 - 16 6 - 12, 1 - 10(1)(1 - 12(2))
    DOWN 6 - 15, 1 - 13(1)(1 - 18(2)) 6 - 16, 1 - 18(1)(1 - 10(2)) 6 - 10(1)(6 - 13(2)), 1 - 12
    (1) w/ Jam protection
    (2) w/o Jam protection

    Standard (Window lock): 

    POWER WINDOW LOCK POSITION TERMINAL

    Switch Position Passenger Side Terminals No. Rear RH Terminals No. Rear LH Terminals No.
    UP 6 - 13(1)(6 - 18(2)) 6 - 18(1)(6 - 10(2)) 6 - 12
    OFF 13 - 15(1)(18 - 15(2)) 16 - 18(1)(1 - 10(2)) 10 - 12
    DOWN 6 - 15 6 - 16 6 - 10(1)(6 - 13(2))
    (1) w/ Jam protection
    (2) w/o Jam protection

    If the continuity is not as specified, replace the switch.

  2. INSPECT POWER WINDOW REGULATOR SWITCH ASSY 
    1. Check the continuity between each terminal of the connector when operating the switch.
      Fig 2: Identifying Power Window Regulator Switch Assy
      G02823573Courtesy of © TOYOTA, LICENSE AGREEMENT TMS1002

      Standard: 

      Fig 3: Power Window Switch Continuity Measuring Table
      G02823572Courtesy of © TOYOTA, LICENSE AGREEMENT TMS1002

      If the continuity is not as specified, replace the switch.

  3. INSPECT POWER WINDOW REGULATOR MOTOR ASSY LH 
    CAUTION:
    • Be sure not to apply battery voltage to terminals 2, 3 and 6 of the power window regulator motor assy LH connector, because it might damage the pulse sensor and the limit switch.
    • Be sure to reset the power window regulator motor assembly (initial position setting of the limit switch) when the power window regulator motor assy LH is installed to the regulator (See step 24 under OVERHAUL ).
    1. Inspect operation of the front LH power window regulator motor assembly.
      Fig 4: Inspecting Power Window Regulator Motor Assy LH
      G02823575Courtesy of © TOYOTA, LICENSE AGREEMENT TMS1002
      1. When adding battery voltage to each connector terminal, check that the motor operates smoothly.

      Standard: 

      Fig 5: Power Window Regulator Motor LH Direction Table
      G02823574Courtesy of © TOYOTA, LICENSE AGREEMENT TMS1002
    2. Check operation of the PTC inside the power window regulator motor.
      NOTE: Work must be performed with the power window regulator and door glass installed to the vehicle.
      1. Set the DC 400 A probe to terminal 4 or 5 of the wire harness.
        NOTE: Match the arrow mark of the probe with the current direction.
      2. Set the door glass at the fully closed position.
      3. When approximately 60 seconds have passed after fully closing the door glass, check how long the current takes to change from approximately 16 - 34 A to less than 1 A when pulling the power regulator switch UP furthermore (at initial time).

        Standard: Approximately 4 - 90 seconds 

      4. When approximately 60 seconds have passed after the cut-off check, check that the door glass goes down when the power regulator switch is pressed DOWN.
  4. INSPECT POWER WINDOW REGULATOR MOTOR ASSY RH 
    1. Inspect operation of the front RH power window regulator motor assembly.
      Fig 6: Inspecting Power Window Regulator Motor Assy RH
      G02823577Courtesy of © TOYOTA, LICENSE AGREEMENT TMS1002
      1. When adding battery voltage to each connector terminal, check that the motor operates smoothly.

      Standard: 

      Fig 7: Power Window Regulator Motor RH Direction Table
      G02823576Courtesy of © TOYOTA, LICENSE AGREEMENT TMS1002
    2. Check operation of the PTC inside the power window regulator motor.
      NOTE: Work must be performed with the power window regulator and door glass installed to the vehicle.
      1. Set the DC 400 A probe to terminal 4 or 5 of the wire harness.
        NOTE: Match the arrow mark of the probe with the current direction.
      2. Set the door glass at the fully closed position.
      3. When approximately 60 seconds have passed after fully closing the door glass, check how long the current takes to change from approximately 16 - 34 A to less than 1 A when pulling the power regulator switch UP furthermore (at initial time).

        Standard: Approximately 4 - 90 seconds 

      4. When approximately 60 seconds have passed after the cut-off check, check that the door glass goes down when the power regulator switch is pressed DOWN.
  5. INSPECT POWER WINDOW REGULATOR MOTOR ASSY LH 
    1. Inspect operation of the rear LH power window regulator motor assembly.
      Fig 8: Inspecting Power Window Regulator Motor Assy LH
      G02823579Courtesy of © TOYOTA, LICENSE AGREEMENT TMS1002
      1. When adding battery voltage to each connector terminal, check that the motor operates smoothly.

      Standard: 

      Fig 9: Power Window Regulator Motor LH Direction Table
      G02823578Courtesy of © TOYOTA, LICENSE AGREEMENT TMS1002
    2. Check operation of the PTC inside the power window regulator motor.
      NOTE: Work must be performed with the power window regulator and door glass installed to the vehicle.
      1. Set the DC 400 A probe terminal 4 or 5 of the wire harness.
        NOTE: Match the arrow mark of the probe with the current direction.
      2. Set the door glass at the fully closed position.
      3. When approximately 60 seconds have passed after fully closing the door glass, check how long the current takes to change from approximately 16 - 34 A to less than 1 A when pulling the power regulator switch UP furthermore (at initial time).

        Standard: Approximately 4 - 90 seconds 

      4. When approximately 60 seconds have passed after the cut-off check, check that the door glass goes down when the power regulator switch is pressed DOWN.
  6. INSPECT POWER WINDOW REGULATOR MOTOR ASSY RH 
    1. Inspect operation of the rear RH power window regulator motor assembly.
      Fig 10: Inspecting Power Window Regulator Motor Assy RH
      G02823581Courtesy of © TOYOTA, LICENSE AGREEMENT TMS1002
      1. When adding battery voltage to each connector terminal, check that the motor operates smoothly.

      Standard: 

      Fig 11: Power Window Regulator Motor RH Direction Table
      G02823580Courtesy of © TOYOTA, LICENSE AGREEMENT TMS1002
    2. Check operation of the PTC inside the power window regulator motor.
      NOTE: Work must be performed with the power window regulator and door glass installed to the vehicle.
      1. Set the DC 400 A probe to terminal 4 or 5 of the wire harness.
        NOTE: Match the arrow mark of the probe with the current direction.
      2. Set the door glass at the fully closed position.
      3. When approximately 60 seconds have passed after fully closing the door glass, check how long the current takes to change from approximately 16 - 34 A to less than 1 A when pulling the power regulator switch UP furthermore (at initial time).

        Standard: Approximately 4 - 90 seconds 

      4. When approximately 60 seconds have passed after the cut-off check, check that the door glass goes down when the power regulator switch is pressed DOWN.
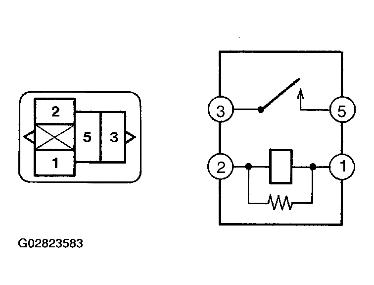
  7. INSPECT POWER WINDOW RELAY ASSY 
    1. Inspect the power window relay continuity.
      Fig 12: Inspecting Power Window Relay Assy
      G02823583Courtesy of © TOYOTA, LICENSE AGREEMENT TMS1002

      Standard: 

      Fig 13: Power Window Relay Continuity Table
      G02823582Courtesy of © TOYOTA, LICENSE AGREEMENT TMS1002

      If the continuity is not as specified, replace the relay.