lemon-mirror:
Home >> Toyota >> 2003 >> Highlander Limited, FWD >> Repair and Diagnosis >> Suspension >> Wheel Alignment >> Front Wheel Alignment >> Adjustment

Front Wheel Alignment: Adjustment

  1. INSPECT TIRE 
    1. Check the tires for wear and proper inflation pressure.

      Cold tire inflation pressure: 

      COLD TIRE INFLATION PRESSURE SPECIFICATION

      Tire size Front, Rear kPa (kgf/cm2 , psi)
      P225/70R16 101S 210 (2.1, 30)
    2. Using a dial indicator, check the tire runout.
      Fig 1: Using Dial Indicator To Check Tire Runout
      G02860405Courtesy of © TOYOTA, LICENSE AGREEMENT TMS1002

      Tire runout: 3.0 mm (0.039 in.) or less 

  2. MEASURE VEHICLE HEIGHT 

    Vehicle height: 

    (4WD) 

    VEHICLE HEIGHT SPECIFICATIONS (4WD)

    Front A - B: 108.1 mm (4.26 in.)
    Rear C - D: 30.5 mm (1.20 in.)

    (2WD) 

    VEHICLE HEIGHT SPECIFICATIONS (2WD)

    Front A - B: 118. 1 mm (4.65 in.)
    Rear C - D: 40.5 mm (1.59 in.)
    Fig 2: Measuring Vehicle Height
    G02860406Courtesy of © TOYOTA, LICENSE AGREEMENT TMS1002

    Measuring points: 

    1. Ground clearance of front wheel center 
    2. Ground clearance of lower suspension arm No. 2 set bolt center 
    3. Ground clearance of strut rod set bolt center 
    4. Ground clearance of rear wheel center 
    NOTE: Before inspecting the wheel alignment, adjust the vehicle height to the specified value.

    If the vehicle height is not the specified value, try to adjust it by pushing down on or lifting the body.

  3. INSPECT TOE-IN 

    Toe-in: 

    FRONT WHEEL TOE-IN SPECIFICATIONS

    Toe-in (total) A+B:0° +/- 12' (0° +/- 0.2°)
    Toe-in (total) C - D: 0+/- 2 mm (0 +/- 0.08 in.)

    If the toe-in is not within the specified value, adjust it at the rack ends.

    Fig 3: Inspecting Front Wheel Toe-In
    G02860407Courtesy of © TOYOTA, LICENSE AGREEMENT TMS1002
  4. ADJUST TOE-IN 
    1. Remove the rack boot set clips.
    2. Loosen the tie rod end lock nuts.
    3. Turn the right and left rack ends by an equal amount to adjust the toe-in.
      NOTE: Try to adjust the toe-in to the center of the specified value.
    4. Make sure that the lengths of the right and left rack ends are the same.
      Fig 4: Tightening Tie Rod End Lock Nut
      G02860408Courtesy of © TOYOTA, LICENSE AGREEMENT TMS1002
    5. Torque the tie rod end lock nuts.

      Torque: 74 N.m (755 kgf.cm, 55 ft.lbf) 

    6. Place the boots on the seats and install the clips.
      NOTE: Make sure that the boots are not twisted.
  5. INSPECT WHEEL ANGLE 
    1. Turn the steering wheel fully and measure the turning angle.
      Fig 5: Inspecting Front Wheel Turning Angle
      G02860409Courtesy of © TOYOTA, LICENSE AGREEMENT TMS1002

      Wheel turning angle: 

      (4WD) 

      FRONT WHEEL TURNING ANGLE SPECIFICATIONS (4WD)

      Inside Wheel 35°41' +/- 1°30' (35.68° +/- 1.5°)
      Outside Wheel: Reference 31° 22' (31.37°)

      (2WD) 

      FRONT WHEEL TURNING ANGLE SPECIFICATIONS (2WD)

      Inside Wheel 35° 28' +/- 1°30' (35.47° +/- 1.5°)
      Outside Wheel: Reference 31° 13' (31.22°)

      If the right and left inside wheel angles differ from the specified value, check the right and left rack end lengths.

  6. INSPECT CAMBER, CASTER AND STEERING AXIS INCLINATION 
    1. Install the camber-caster-kingpin gauge or position vehicle on wheel alignment tester.
      Fig 6: Installing Camber-Caster-Kingpin Gauge On Wheel Alignment Tester
      G02860410Courtesy of © TOYOTA, LICENSE AGREEMENT TMS1002
    2. Inspect the camber, caster and steering axis inclination.

      Camber, caster and steering axis inclination: 

      (4WD) 

      CAMBER, CASTER AND STEERING AXIS INCLINATION SPECIFICATIONS (4WD)

      Camber -0 °35' +/- 45' (-0.58° +/- 0.75°)
      Right-left Error 45' (0.75°) Or Less
      Caster 2°45' +/- 45' (2.75° +/- 0.75°)
      Right-left Error 45' (0.75°) Or Less
      Steering Axis Inclination 10°35' +/- 45' (10.58° +/- 0.75°)
      Right-left Error 45' (0.75°) Or Less

      (2WD) 

      CAMBER, CASTER AND STEERING AXIS INCLINATION SPECIFICATIONS (2WD)

      Camber -0 °40' +/- 45' (-0.67° +/- 0.75°)
      Right-left Error 45' (0.75°) Or Less
      Caster 2°45' +/- 45' (2.75° +/- 0.75°)
      Right-left Error 45' (0.75°) Or Less
      Steering Axis Inclination 10°45' +/-45' (10.75° +/- 0.75°)
      Right-left Error 45' (0.75°) Or Less

      If the caster and steering axis inclination are not within the specified values, after the camber has been correctly adjusted, re-check the suspension parts for damaged and/or worn out parts.

  7. ADJUST CAMBER 
    NOTE: After the camber has been adjusted, inspect the toe-in.
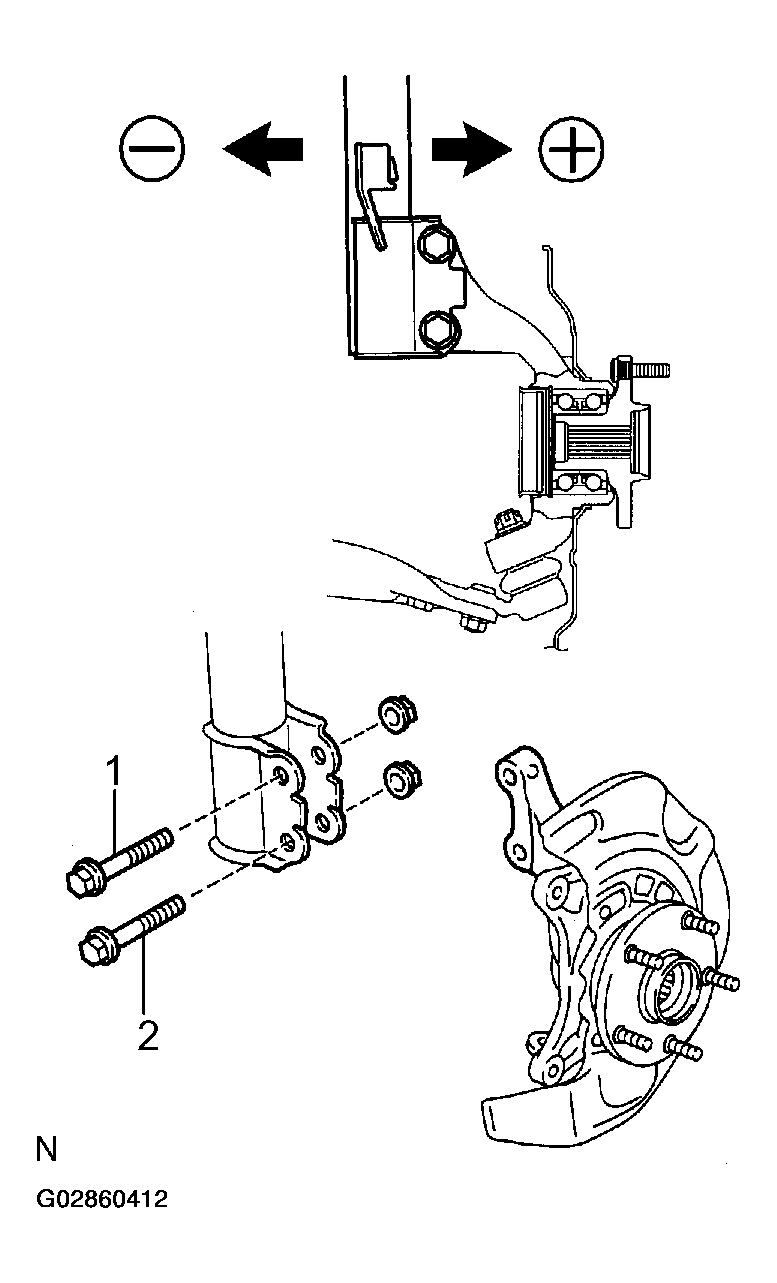
    1. Remove the front wheel.
    2. Remove the 2 nuts on the lower side of the shock absorber.
    3. Fig 7: Locating Nuts For Removal
      G02860411Courtesy of © TOYOTA, LICENSE AGREEMENT TMS1002
    4. Clean the installation surfaces of the shock absorber and the steering knuckle.
    5. Temporarily install the 2 nuts.
    6. Adjust the camber by pushing or pulling the lower side of the shock absorber in the direction in which the camber adjustment is required.
      Fig 8: Adjusting Camber
      G02860412Courtesy of © TOYOTA, LICENSE AGREEMENT TMS1002
    7. Tighten the nuts.

      Torque: 210 N.m (2,140 kgf.cm, 155 ft.lbf) 

    8. Install the front wheel.

      Torque: 103 N.m (1,050 kgf.cm, 76 ft.lbf) 

    9. Check the camber.
      NOTE:
      • Try to adjust the camber to the center of the specified value.
      • Adjusting value for the set bolts is 6' - 30' (0.1° - 0.5°).

      If the camber is not within the specified value, using the following table, estimate how much additional camber adjustment will be required, and select the camber adjusting bolt.

      NOTE: Tighten the adjusting bolt with a washer and a new nut.
      Fig 9: Adjusting Value Chart For Set & Adjusting Bolt
      G02860413Courtesy of © TOYOTA, LICENSE AGREEMENT TMS1002
    10. Do the steps mentioned previously again. At step  b, replace 1 or 2 selected bolts.
    NOTE: When replacing the 2 bolts, replace 1 bolt for each time.