lemon-mirror:
Home >> Toyota >> 2003 >> Land Cruiser >> Repair and Diagnosis >> Electrical >> Body Electrical >> Overhead Junction Block >> Location >> Circuit

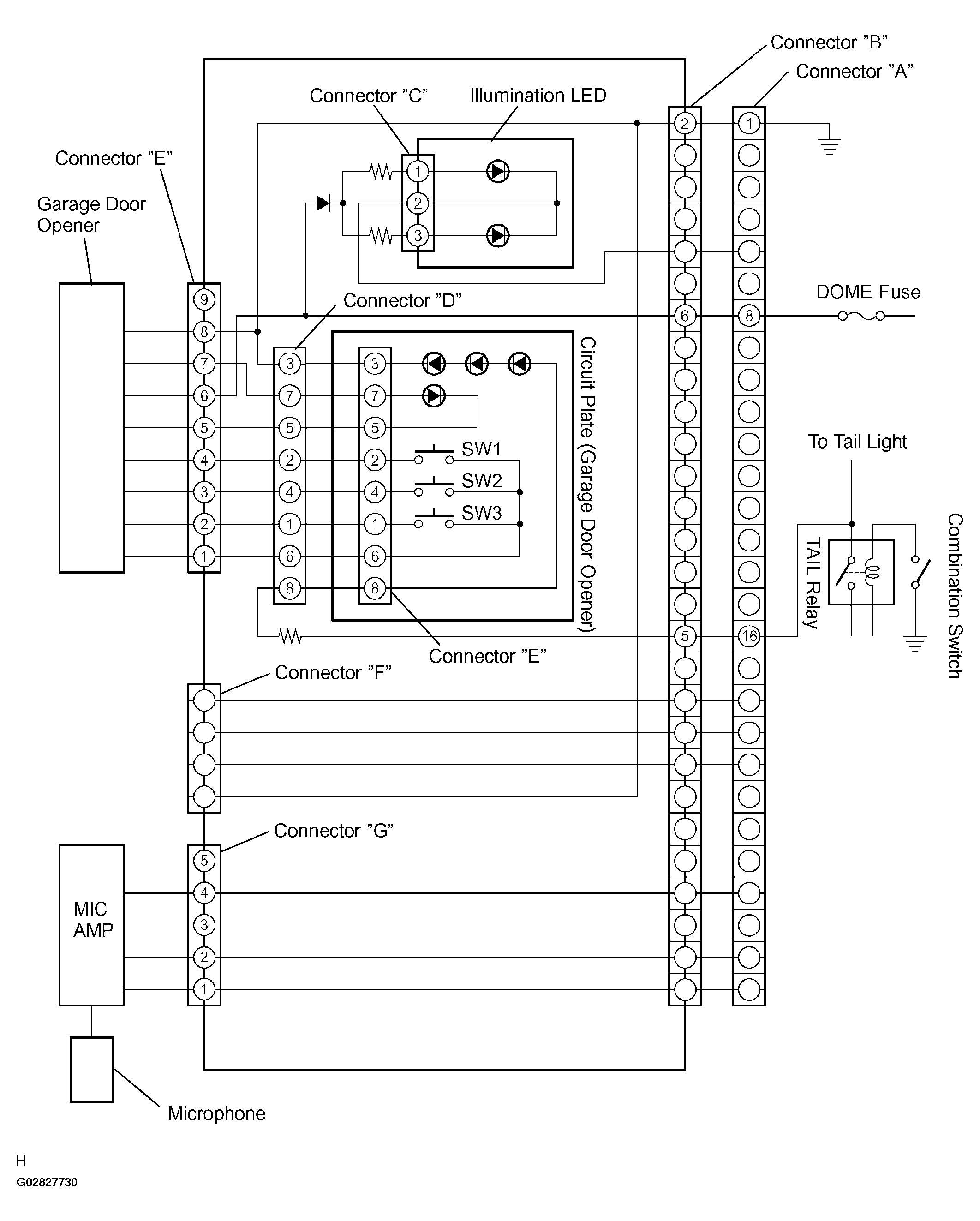
Overhead Junction Block: Location: Circuit

Fig 1: Overhead Function Block Circuit Diagram
G02827730Courtesy of © TOYOTA, LICENSE AGREEMENT TMS1002