lemon-mirror:
Home >> Toyota >> 2003 >> Land Cruiser >> Repair and Diagnosis >> Engine Performance >> System >> Engine Controls - System & Component Testing - V6 & V8 >> Computerized Engine Controls >> Fuel Pump Control Circuit >> Sequoia

Fuel Pump Control Circuit: Sequoia

For fuel pump control circuit inspection and wiring diagram, see Fig 1-Fig 7 . To check fuel pump relay, see FUEL PUMP RELAY  under MODULES, MOTORS, RELAYS & SOLENOIDS. To check fuel pump operation, see FUEL DELIVERY  under FUEL SYSTEMS. To check circuit opening relay, see CIRCUIT OPENING RELAY  under MODULES, MOTORS, RELAYS & SOLENOIDS. For circuit identification, see ENGINE PERFORMANCE in appropriate SYSTEM WIRING DIAGRAMS article in ELECTRICAL. To check fuel pump resistor operation, see FUEL DELIVERY  under FUEL SYSTEMS.

Fig 1: Fuel Pump Control Circuit Description & Diagram (Sequoia)
G00247776Courtesy of © TOYOTA, LICENSE AGREEMENT TMS1002
Fig 2: Fuel Pump Control Circuit Inspection Using Hand-Held Tester - Steps 1-3 (Sequoia)
G00247777Courtesy of © TOYOTA, LICENSE AGREEMENT TMS1002
Fig 3: Fuel Pump Control Circuit Inspection Using Hand-Held Tester - Steps 4-7 (Sequoia)
G00247778Courtesy of © TOYOTA, LICENSE AGREEMENT TMS1002
Fig 4: Fuel Pump Control Circuit Inspection Using Hand-Held Tester - Step 8; Using OBD II Scan Tool - Steps 1-3 (Sequoia)
G00247779Courtesy of © TOYOTA, LICENSE AGREEMENT TMS1002
Fig 5: Fuel Pump Control Circuit Inspection Using OBD II Scan Tool - Steps 4-6 (Sequoia)
G00247780Courtesy of © TOYOTA, LICENSE AGREEMENT TMS1002
Fig 6: Fuel Pump Control Circuit Inspection Using OBD II Scan Tool - Step 7 (Sequoia)
G00247781Courtesy of © TOYOTA, LICENSE AGREEMENT TMS1002
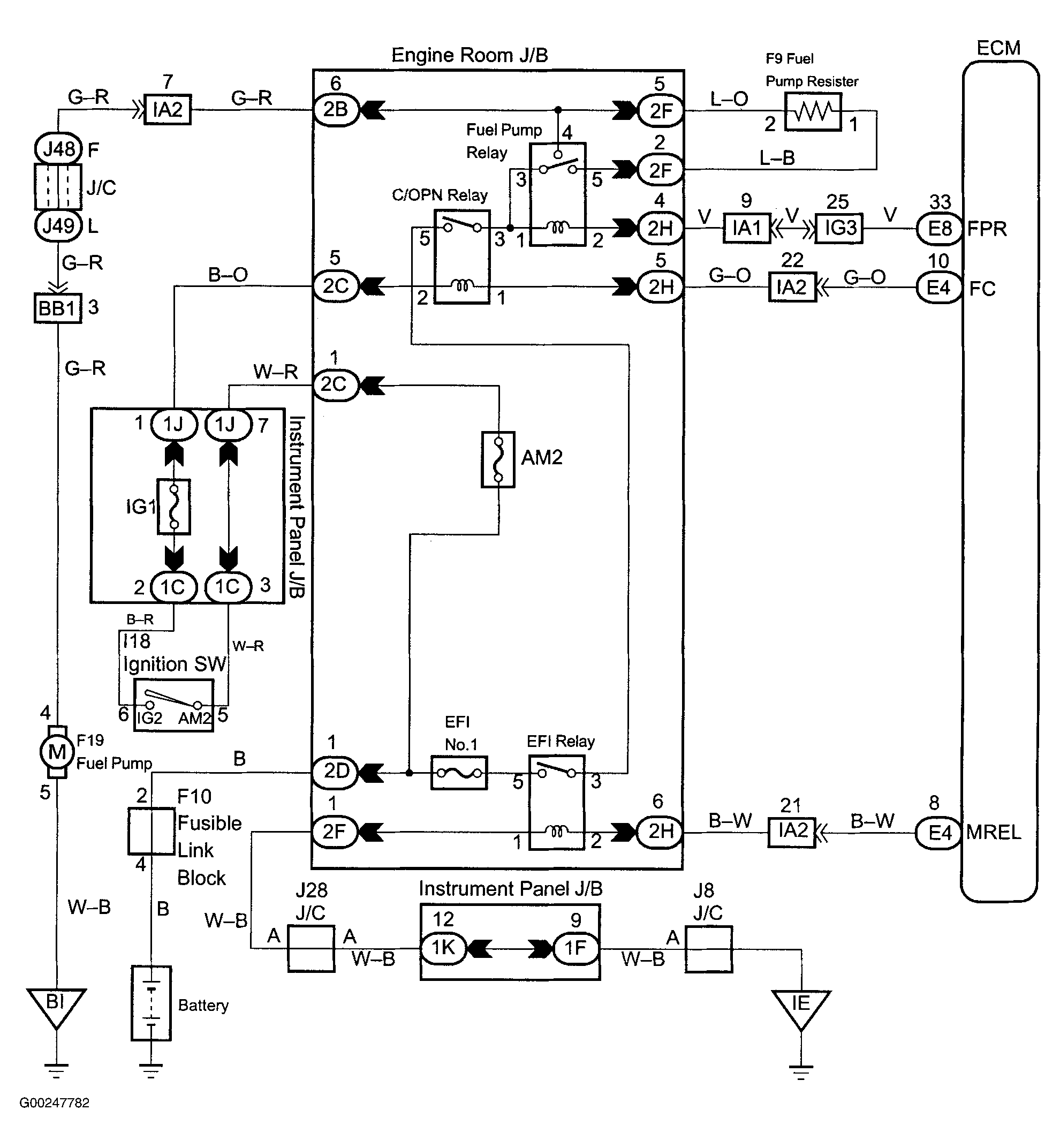
Fig 7: Fuel Pump Control Wiring Diagram (Sequoia)
G00247782Courtesy of © TOYOTA, LICENSE AGREEMENT TMS1002