lemon-mirror:
Home >> Toyota >> 2004 >> MR2 C65M >> Repair and Diagnosis >> Electrical >> Component Locations >> Electrical Component Locator >> Component Location Graphics

Component Location Graphics

NOTE: Figures may show multiple component locations. Refer to appropriate table for proper figure references.
Fig 1: Engine Compartment
G00268977Courtesy of © TOYOTA, LICENSE AGREEMENT TMS1002
Fig 2: Dash
G00268978Courtesy of © TOYOTA, LICENSE AGREEMENT TMS1002
Fig 3: Body Overview
G00268979Courtesy of © TOYOTA, LICENSE AGREEMENT TMS1002
Fig 4: Fusible Link Block & J/B No. 1
G00268980Courtesy of © TOYOTA, LICENSE AGREEMENT TMS1002
Fig 5: Engine Room R/B
G00268981Courtesy of © TOYOTA, LICENSE AGREEMENT TMS1002
Fig 6: R/B No. 3 & J/B No. 3
G00268982Courtesy of © TOYOTA, LICENSE AGREEMENT TMS1002
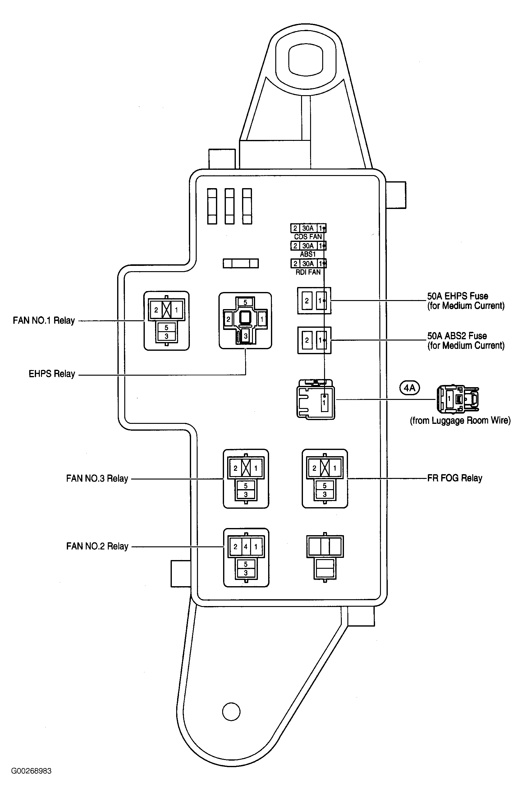
Fig 7: R/B No. 4 & J/B No. 4
G00268983Courtesy of © TOYOTA, LICENSE AGREEMENT TMS1002
Fig 8: R/B No. 5
G00268984Courtesy of © TOYOTA, LICENSE AGREEMENT TMS1002
Fig 9: Engine
G00268985Courtesy of © TOYOTA, LICENSE AGREEMENT TMS1002
Fig 10: Engine Compartment
G00268986Courtesy of © TOYOTA, LICENSE AGREEMENT TMS1002
Fig 11: Dash
G00268987Courtesy of © TOYOTA, LICENSE AGREEMENT TMS1002
Fig 12: Dash
G00268988Courtesy of © TOYOTA, LICENSE AGREEMENT TMS1002
Fig 13: Body Overview
G00268989Courtesy of © TOYOTA, LICENSE AGREEMENT TMS1002
Fig 14: Body Overview
G00268990Courtesy of © TOYOTA, LICENSE AGREEMENT TMS1002
Fig 15: Engine Compartment In-line Connectors & Grounds
G00268991Courtesy of © TOYOTA, LICENSE AGREEMENT TMS1002
Fig 16: Engine Compartment Splices
G00268992Courtesy of © TOYOTA, LICENSE AGREEMENT TMS1002
Fig 17: Dash In-line Connectors
G00268993Courtesy of © TOYOTA, LICENSE AGREEMENT TMS1002
Fig 18: Dash Grounds
G00268994Courtesy of © TOYOTA, LICENSE AGREEMENT TMS1002
Fig 19: Dash In-line Connectors
G00268995Courtesy of © TOYOTA, LICENSE AGREEMENT TMS1002
Fig 20: Dash Splices
G00268996Courtesy of © TOYOTA, LICENSE AGREEMENT TMS1002
Fig 21: Body Overview In-line Connectors & Grounds
G00268997Courtesy of © TOYOTA, LICENSE AGREEMENT TMS1002
Fig 22: Body Overview Splices
G00268998Courtesy of © TOYOTA, LICENSE AGREEMENT TMS1002