lemon-mirror:
Home >> Toyota >> 2004 >> MR2 C65M >> Repair and Diagnosis >> Engine Performance >> System >> Engine Controls - Diagnostics >> Fuel Pump Control Circuit >> Wiring Diagram

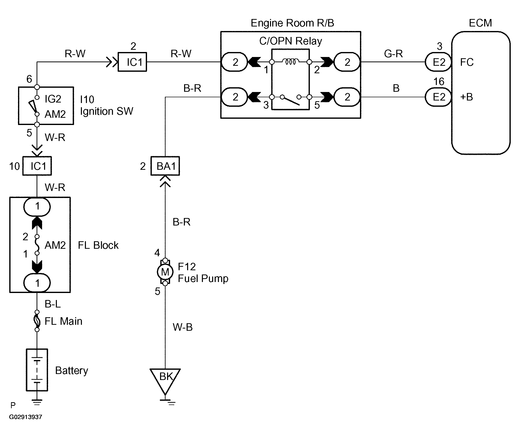
Fuel Pump Control Circuit: Wiring Diagram

Fig 1: Wiring Diagram - Fuel Pump Control Circuit
G02913937Courtesy of © TOYOTA, LICENSE AGREEMENT TMS1002