lemon-mirror:
Home >> Toyota >> 2004 >> Matrix Base, 4WD >> Repair and Diagnosis >> Brakes >> Traction Control >> Brake System >> Brake Booster ASSY >> Components

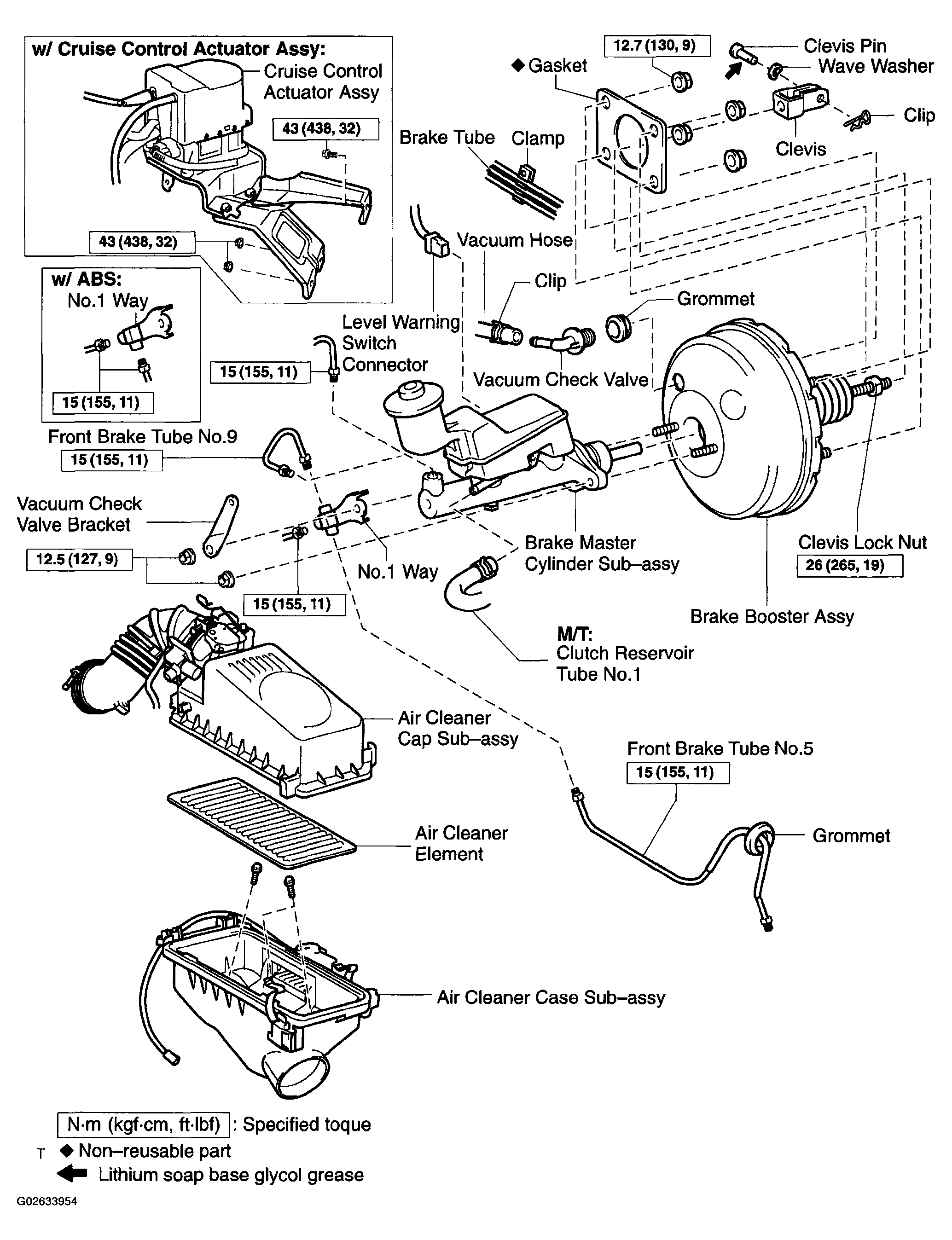
Brake Booster ASSY: Components

Fig 1: Identifying Components Of Brake Booster Assy
G02633954Courtesy of © TOYOTA, LICENSE AGREEMENT TMS1002