lemon-mirror:
Home >> Toyota >> 2005 >> Avalon XLS >> Repair and Diagnosis >> Engine Performance >> Fuel Delivery >> Engine Fuel System >> System Diagram

System Diagram

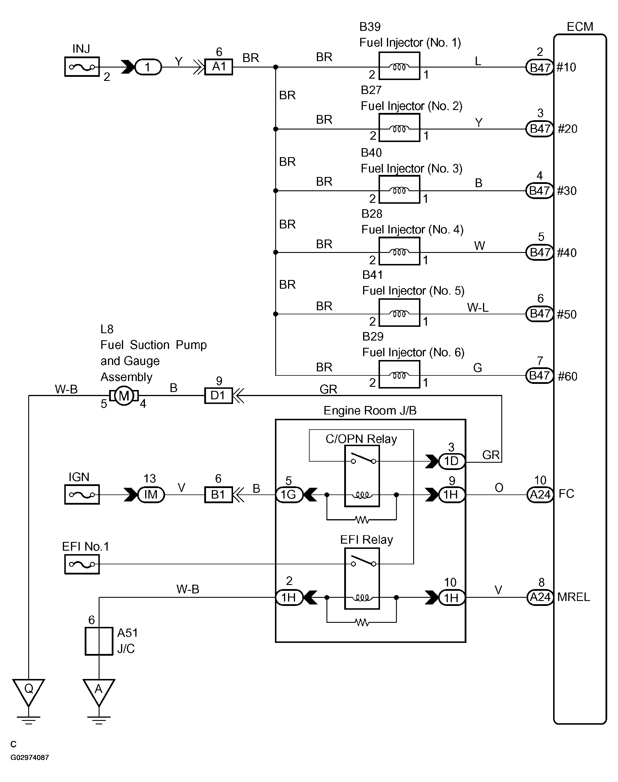
Fig 1: Fuel System (2GR-FE) Diagram
G02974087Courtesy of © TOYOTA, LICENSE AGREEMENT TMS1002