lemon-mirror:
Home >> Toyota >> 2005 >> Highlander Limited, FWD >> Repair and Diagnosis >> Body & Frame >> Windows >> Windshield/WINDOWGLASS/Mirror >> Defogger System >> Inspection

Defogger System: Inspection

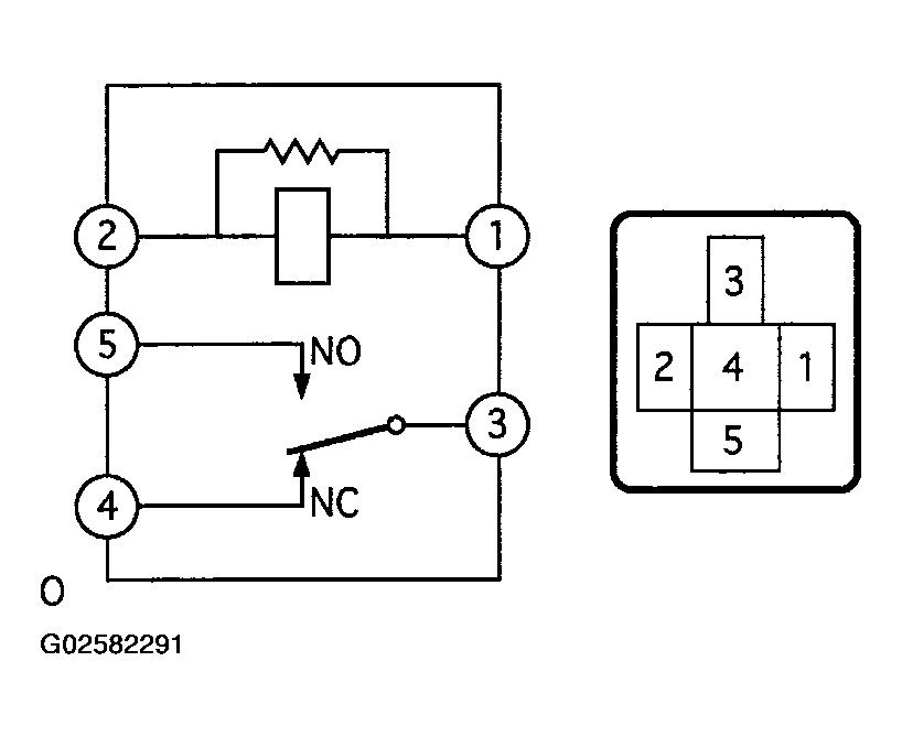
  1. INSPECT DEFOGGER RELAY 
    1. Inspect the defogger relay (Marking: DEF) continuity.
    DEFOGGER RELAY SPECIFIED CONDITION

    Condition Tester connection Specified condition
    Constant 1 - 2 3 - 4 Continuity
    Apply B+ between terminals 1 and 2. 3 - 5 Continuity

    If the continuity is not as specified, replace the relay.

    Fig 1: Inspecting Defogger Relay
    G02582291Courtesy of © TOYOTA, LICENSE AGREEMENT TMS1002
  2. INSPECT AIR CONDITIONER CONTROL ASSY (SEE  INSPECTION  ) 
  3. INSPECT BACK WINDOW (DEFOGGER WIRE) 
    NOTE:
    • When cleaning the glass, wipe the glass along the wire using a soft and dry cloth. Take care not to damage the wires.
    • Do not use detergents or glass cleaners including abrasive ingredients.
    • When measuring voltage, wrap a piece of tin foil around the tip of the negative tester probe and press the foil against the wire with your finger, as shown in the illustration.
    Fig 2: Pressing Foil Against Wire
    G02582292Courtesy of © TOYOTA, LICENSE AGREEMENT TMS1002
    1. Turn the ignition switch ON.
    2. Turn the defogger switch ON.
    3. Check the voltage at the center of each defogger wire, as shown in the illustration.

      Standard: 

      BACK WINDOW (DEFOGGER WIRE) VOLTAGE AND CRITERIA

      Voltage Criteria
      Approx. 5 V Okay, wire is not broken
      Approx. 10 V or 0 V Wire is broken
      Fig 3: Checking Voltage At Center Of Each Defogger Wire
      G02582293Courtesy of © TOYOTA, LICENSE AGREEMENT TMS1002

      HINT:

      If there is approx 10 V, the wire may be broken between the center of the wire and the end on the battery side. If there is no voltage, the wire may be broken between the center of the wire and the end on the ground side.

    4. Place the voltmeter positive (+) lead against the defogger wire on the battery side.
    5. Place the voltmeter negative (-) lead with the foil strip against the wire on the ground side.
    6. Slide the positive (+) lead from the battery side to the ground side.
    7. The point where the voltmeter deflects from approx 10 V to 0 V is the place where the defogger wire is broken.

      HINT:

      If the defogger wire is not broken, the voltmeter indicates 0 V at the positive (+) end of the defogger wire but gradually increases to approx 12 V as the meter probe moves to the other end.

      Fig 4: Measuring Voltage Of Defogger Wire
      G02582294Courtesy of © TOYOTA, LICENSE AGREEMENT TMS1002
    8. If necessary, repair the defogger wire.
      1. Clean the broken wire tips with grease, wax and silicone remover.
      2. Place the masking tape along both sides of the wire.
      3. Thoroughly mix the repair agent (Dupont paste No. 4817).
        Fig 5: Identifying Defogger Wire Repair Point
        G02582295Courtesy of © TOYOTA, LICENSE AGREEMENT TMS1002
      4. Using a fine tip brush, apply a small amount of the agent to the wire.
      5. After a few minutes, remove the masking tape.
      NOTE: Do not repair the defogger wire again for at least 24 hours.
    Fig 6: Repairing Defogger Wire
    G02582296Courtesy of © TOYOTA, LICENSE AGREEMENT TMS1002