lemon-mirror:
Home >> Toyota >> 2005 >> Sequoia Limited, RWD >> Repair and Diagnosis >> Engine Performance >> System >> Engine - Diagnostics >> System Diagram

System Diagram

Fig 1: Engine System Diagram (1 Of 3)
G03057863Courtesy of © TOYOTA, LICENSE AGREEMENT TMS1002
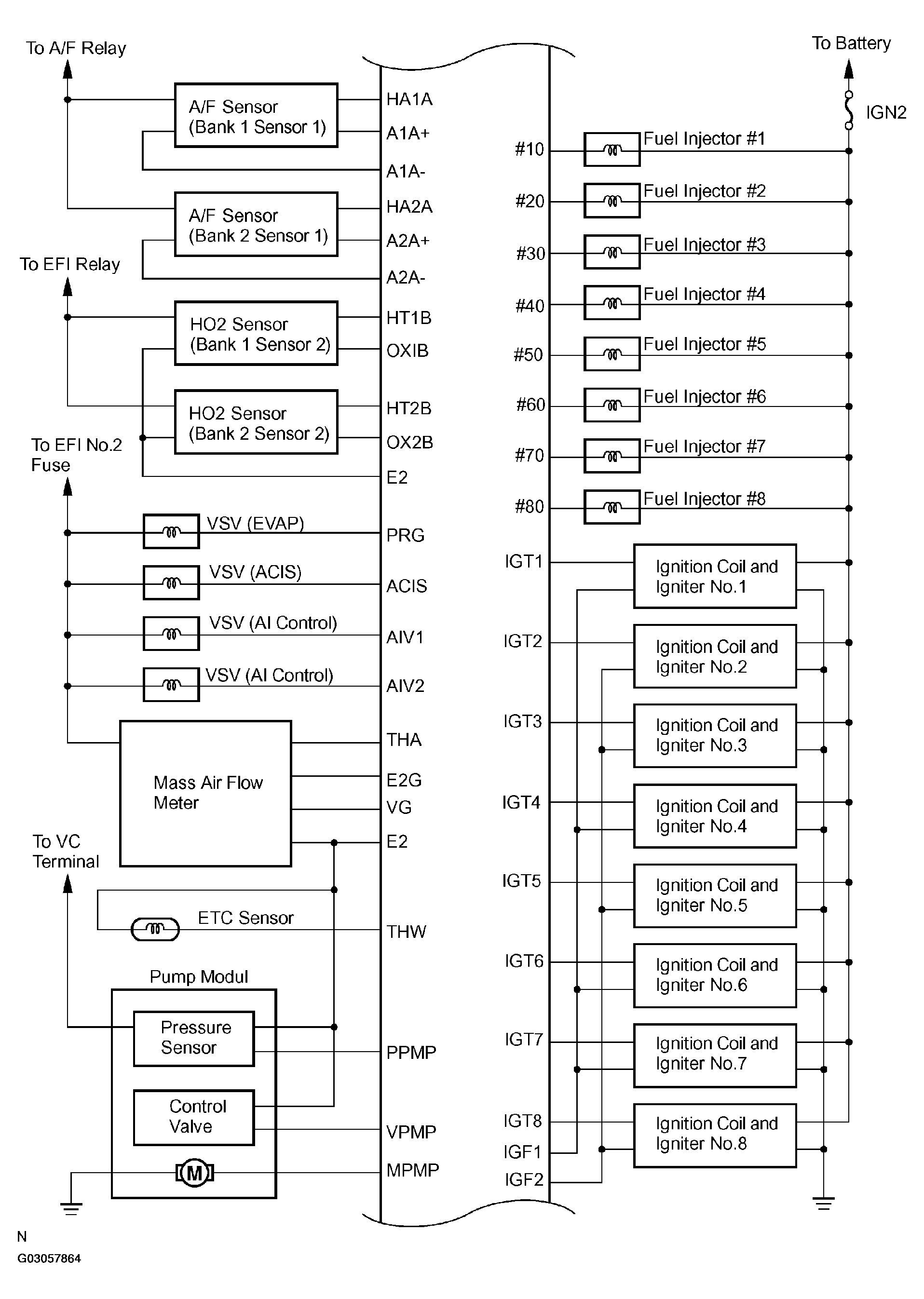
Fig 2: Engine System Diagram (2 Of 3)
G03057864Courtesy of © TOYOTA, LICENSE AGREEMENT TMS1002
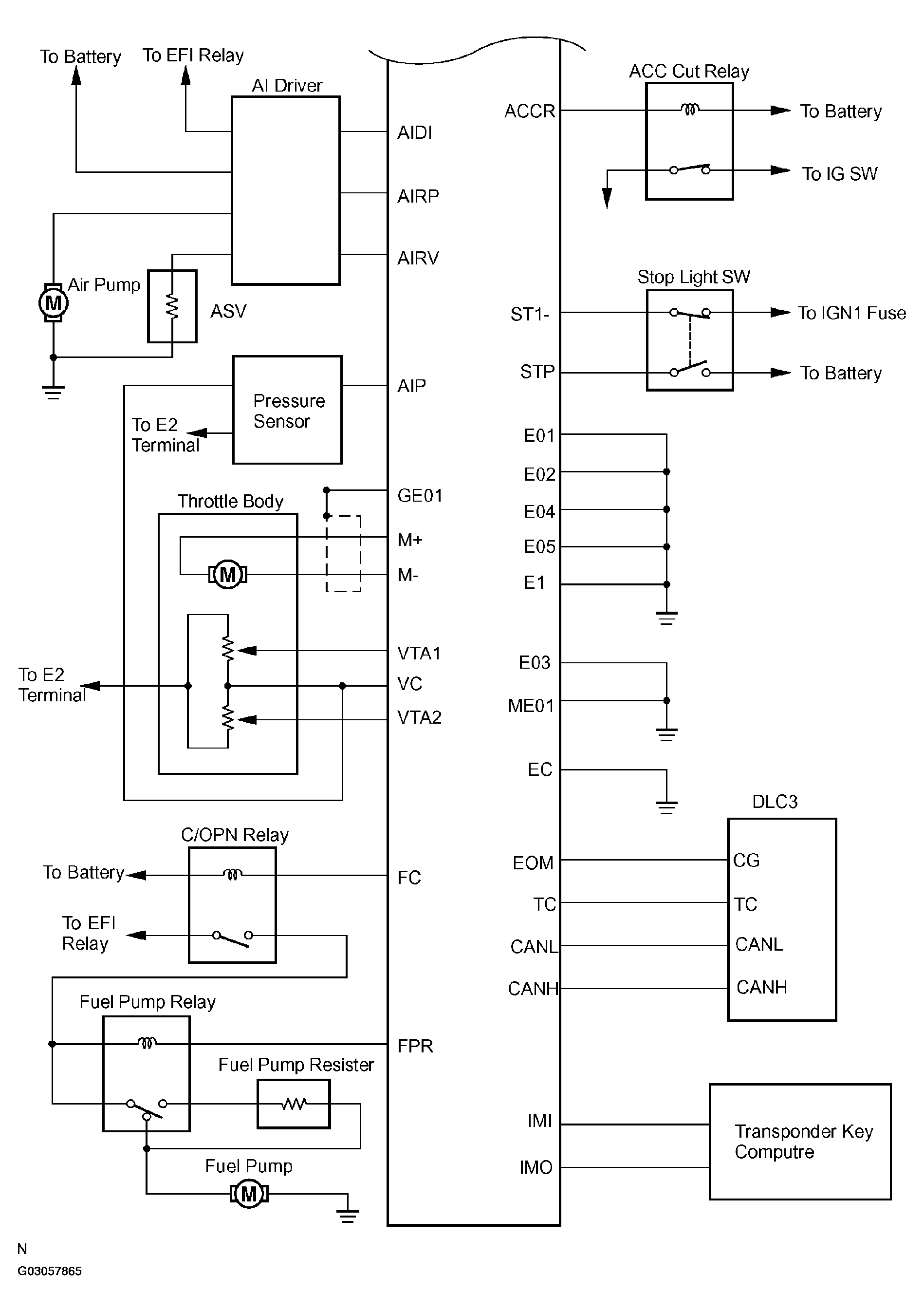
Fig 3: Engine System Diagram (3 Of 3)
G03057865Courtesy of © TOYOTA, LICENSE AGREEMENT TMS1002