lemon-mirror:
Home >> Toyota >> 2005 >> Sienna CE >> Repair and Diagnosis >> Body & Frame >> Windows >> Windshield/WINDOWGLASS/Mirror >> Window Defogger System >> Inspection

Window Defogger System: Inspection

  1. INSPECT HAZARD WARNING SIGNAL SWITCH ASSY 
    1. Check the defogger switch illuminates.
      Fig 1: Checking Defogger Switch Illuminates
      G02606855Courtesy of © TOYOTA, LICENSE AGREEMENT TMS1002

      Standard: 

      Fig 2: Hazard Warning Signal Switch Assy Table
      G02606856Courtesy of © TOYOTA, LICENSE AGREEMENT TMS1002

      If the result is not as specified, replace the switch assy or bulb.

    2. Check the defogger timer.
      1. Connect the positive (+) lead from the battery to terminal 2 and the negative (-) lead to terminal 3.
      2. Connect the positive (+) lead from the battery to terminal 1 through a 1.4 W test bulb.
      3. Push the outer defogger switch ON then check that the switch and the test bulb turn off after they illuminate for 12 to 18 minutes.

      If the result is not as specified, replace the switch assy.

      Fig 3: Checking Defogger Timer
      G02606857Courtesy of © TOYOTA, LICENSE AGREEMENT TMS1002
  2. INSPECT OUTER REAR VIEW MIRROR ASSY LH (w/ OUTER MIRROR HEATER) 
    1. Inspect operation of the mirror heater.
      Fig 4: Inspecting Mirror Heater Operation (LH)
      G02606858Courtesy of © TOYOTA, LICENSE AGREEMENT TMS1002

      Standard: 

      Fig 5: Outer Rear View Mirror Assy LH (W/Outer Mirror Heater) Table
      G02606859Courtesy of © TOYOTA, LICENSE AGREEMENT TMS1002

      If the result is not as specified, replace the mirror assy.

  3. INSPECT OUTER REAR VIEW MIRROR ASSY RH (w/ OUTER MIRROR HEATER) 
    1. Inspect operation of the mirror heater.
      Fig 6: Inspecting Mirror Heater Operation (RH)
      G02606860Courtesy of © TOYOTA, LICENSE AGREEMENT TMS1002

    Standard: 

    Fig 7: Outer Rear View Mirror Assy RH (W/Outer Mirror Heater) Table
    G02606861Courtesy of © TOYOTA, LICENSE AGREEMENT TMS1002

    If the result is not as specified, replace the mirror assy.

  4. INSPECT FRONT WINDOW (DEICER WIRE) (W/ DEICER) 

    Standard: 

    1. Inspect the resistance of the deicer wire.
    FRONT WINDOW (DEICER WIRE) (W/ DEICER)

    Terminal No. Condition Specified Condition
    1-2 Constant Below 1 Ω
    Fig 8: Inspecting Front Window (Deicer Wire) (With Deicer)
    G02606862Courtesy of © TOYOTA, LICENSE AGREEMENT TMS1002

    If the result is not as specified, replace the window.

  5. INSPECT BACK WINDOW (DEFOGGER WIRE) 
    NOTE:
    • When cleaning the glass, wipe the glass along the wire using a soft and dry cloth. Take care not to damage the wires.
    • Do not use detergents or glass cleaners including abrasive ingredients.
    • When measuring voltage, wrap a piece of tin foil around the tip of the negative probe and press the foil against the wire with your finger as shown in Fig 9.
      Fig 9: Pressing Foil Against Wire
      G02606863Courtesy of © TOYOTA, LICENSE AGREEMENT TMS1002
    1. Turn the ignition switch ON.
    2. Turn the defogger switch ON.
    3. Inspect the voltage at the center of each defogger wire as shown in Fig 10.
      Fig 10: Inspecting Voltage At Center Of Each Defogger Wire
      G02606864Courtesy of © TOYOTA, LICENSE AGREEMENT TMS1002

      Standard: 

      BACK WINDOW (DEFOGGER WIRE)

      Voltage Criteria
      Approx. 5 V Okay, wire is not broken
      Approx. 10 V or O V Wire is broken

      HINT:

      If there is approximately 10 V, the wire may be broken between the center of the wire and the end on the battery side. If there is no voltage, the wire may be broken between the center of the wire and the end on the ground side.

    4. Place the voltmeter positive (+) lead against the defogger wire on the battery side.
      Fig 11: Placing Voltmeter Lead Against Defogger Wire
      G02606865Courtesy of © TOYOTA, LICENSE AGREEMENT TMS1002
    5. Place the voltmeter negative (-) lead with the foil strip against the wire on the ground side.
    6. Slide the positive (+) lead from the battery side to the ground side.
    7. The point where the voltmeter deflects from approx 10 V to 0 V is the place where the defogger wire is broken.

      HINT:

      If the defogger wire is not broken, the voltmeter indicates 0 V at the positive (+) end of the defogger wire but gradually increases to about 12 V as the meter probe moves to the other end.

    8. If necessary, repair the defogger wire.
      1. Clean the broken wire tips with grease, wax and silicone remover.
      2. Place the masking tape along the both sides of the wire.
        Fig 12: Placing Masking Tape Along Both Sides Of Wire
        G02606866Courtesy of © TOYOTA, LICENSE AGREEMENT TMS1002
      3. Thoroughly mix the repair agent (Dupont paste No. 4817).
      4. Using a fine tip brush, apply a small amount of the agent to the wire.
        Fig 13: Applying Small Amount Of Agent To Wire Using Fine Tip Brush
        G02606867Courtesy of © TOYOTA, LICENSE AGREEMENT TMS1002
      5. After a few minutes, remove the masking tape.
      NOTE: Do not repair the defogger wire again for at least 24 hours.
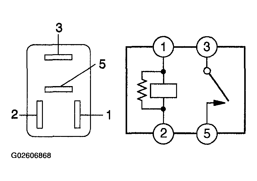
  6. INSPECT FR WIPER DEICER RELAY (W/ DEICER) 
    1. Inspect the resistance.
      Fig 14: Inspecting FR Wiper Deicer Relay (W/Deicer)
      G02606868Courtesy of © TOYOTA, LICENSE AGREEMENT TMS1002

    Standard: 

    FR WIPER DEICER RELAY (W/ DEICER)

    Terminal No. Specified Condition
    3-5 10 kΩ or higher
    Below 1 Ω (When battery voltage is applied to terminals 1 and 2)

    If the result is not as specified, replace the relay.

  7. INSPECT DEFOGGER RELAY 
    1. Inspect the resistance.
      Fig 15: Inspecting Defogger Relay
      G02606869Courtesy of © TOYOTA, LICENSE AGREEMENT TMS1002

    Standard: 

    DEFOGGER RELAY

    Terminal No. Specified Condition
    3-4 Below 1 Ω
    3-5 10 kΩ or higher
    Below 1 Ω (When battery voltage is applied to terminals 1 and 2)

    If the result is not as specified, replace the relay.