lemon-mirror:
Home >> Toyota >> 2006 >> Avalon XLS >> Repair and Diagnosis >> Electrical >> Body Electrical >> OEM System Circuits >> ABS without VSC >> Notes

ABS without VSC: Notes

Fig 1: ABS (Without VSC) System Wiring Diagram (1 Of 3)
G08779087Courtesy of © TOYOTA, LICENSE AGREEMENT TMS1002
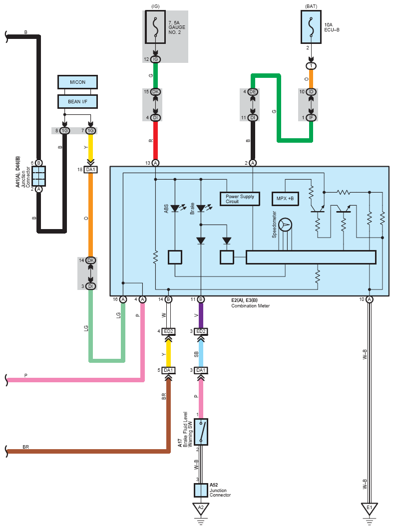
Fig 2: ABS (Without VSC) System Wiring Diagram (2 Of 3)
G08779088Courtesy of © TOYOTA, LICENSE AGREEMENT TMS1002
Fig 3: ABS (Without VSC) System Wiring Diagram (3 Of 3)
G08779089Courtesy of © TOYOTA, LICENSE AGREEMENT TMS1002