lemon-mirror:
Home >> Toyota >> 2006 >> Avalon XLS >> Repair and Diagnosis >> Electrical >> Body Electrical >> OEM System Circuits >> Charging >> Notes

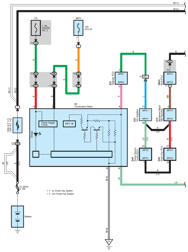
OEM System Circuits: Charging: Notes

Fig 1: Charging System Wiring Diagram (1 Of 2)
G08778963Courtesy of © TOYOTA, LICENSE AGREEMENT TMS1002
Fig 2: Charging System Wiring Diagram (2 Of 2)
G08778964Courtesy of © TOYOTA, LICENSE AGREEMENT TMS1002