lemon-mirror:
Home >> Toyota >> 2006 >> Avalon XLS >> Repair and Diagnosis >> Electrical >> Body Electrical >> OEM System Circuits >> Cruise Control >> Notes

Cruise Control: Notes

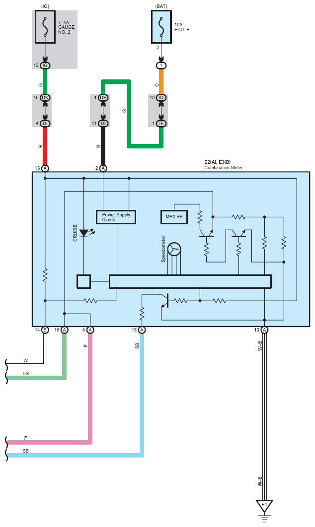
Fig 1: Cruise Control System Wiring Diagram (1 Of 8)
G08779106Courtesy of © TOYOTA, LICENSE AGREEMENT TMS1002
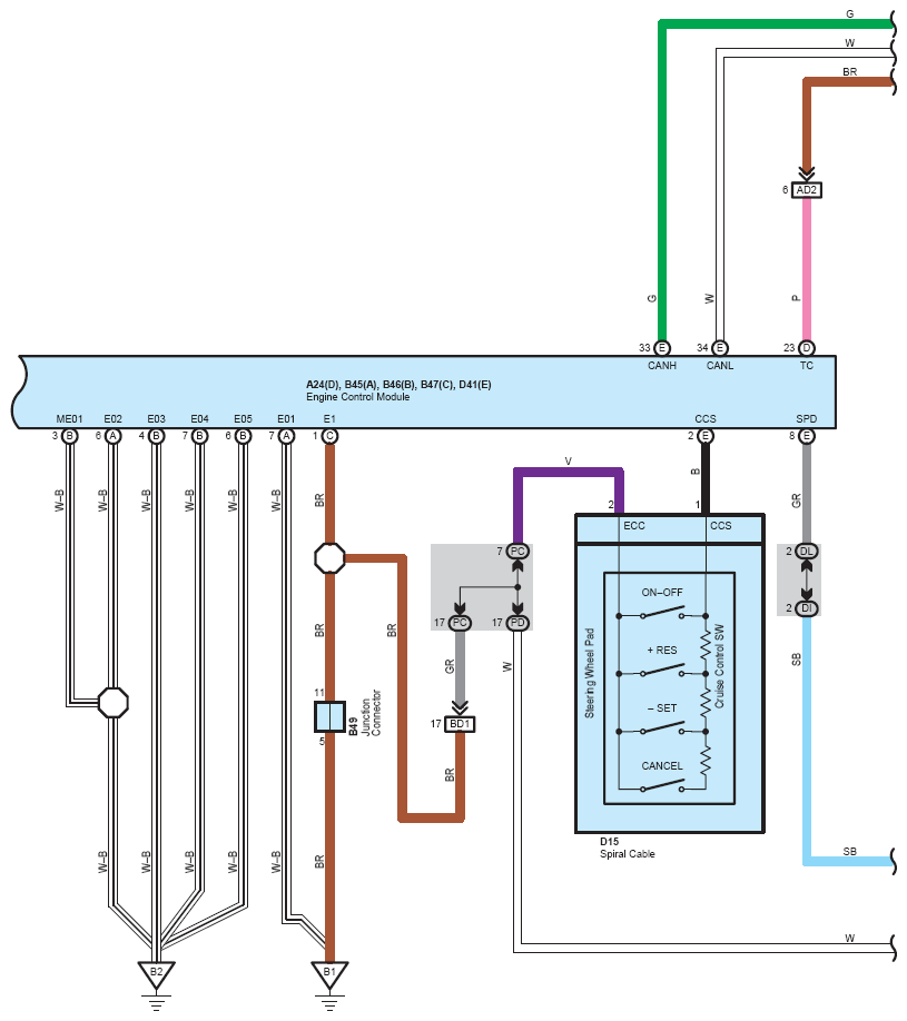
Fig 2: Cruise Control System Wiring Diagram (2 Of 8)
G08779107Courtesy of © TOYOTA, LICENSE AGREEMENT TMS1002
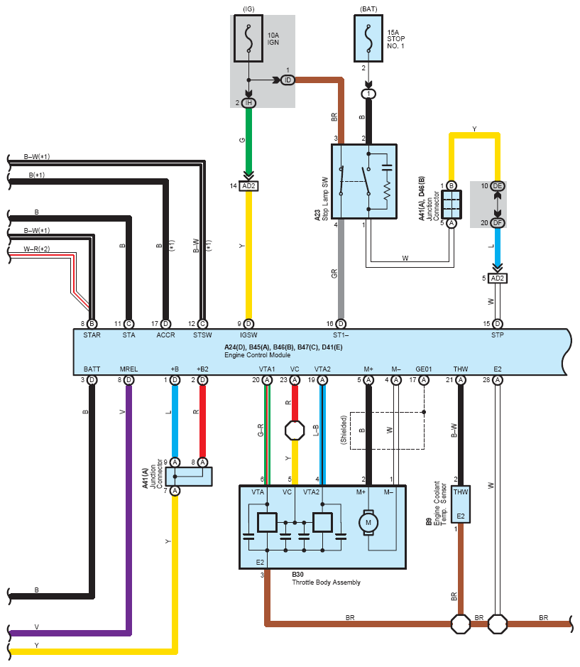
Fig 3: Cruise Control System Wiring Diagram (3 Of 8)
G08779108Courtesy of © TOYOTA, LICENSE AGREEMENT TMS1002
Fig 4: Cruise Control System Wiring Diagram (4 Of 8)
G08779109Courtesy of © TOYOTA, LICENSE AGREEMENT TMS1002
Fig 5: Cruise Control System Wiring Diagram (5 Of 8)
G08779110Courtesy of © TOYOTA, LICENSE AGREEMENT TMS1002
Fig 6: Cruise Control System Wiring Diagram (6 Of 8)
G08779111Courtesy of © TOYOTA, LICENSE AGREEMENT TMS1002
Fig 7: Cruise Control System Wiring Diagram (7 Of 8)
G08779112Courtesy of © TOYOTA, LICENSE AGREEMENT TMS1002
Fig 8: Cruise Control System Wiring Diagram (8 Of 8)
G08779113Courtesy of © TOYOTA, LICENSE AGREEMENT TMS1002