lemon-mirror:
Home >> Toyota >> 2006 >> Avalon XLS >> Repair and Diagnosis >> Electrical >> Body Electrical >> OEM System Circuits >> Multi Display without Navigation System >> Notes

Multi Display without Navigation System: Notes

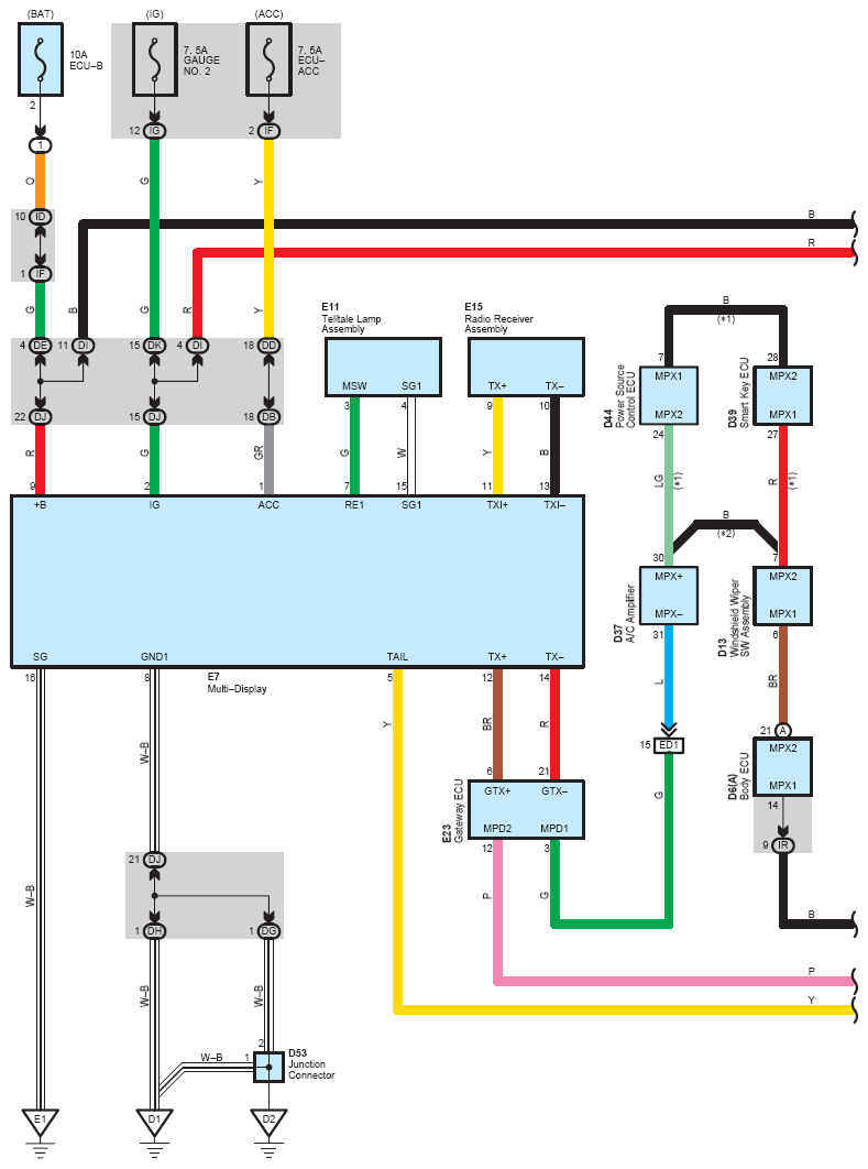
Fig 1: Multi Display (Without Navigation System) System Wiring Diagram (1 Of 2)
G08779155Courtesy of © TOYOTA, LICENSE AGREEMENT TMS1002
Fig 2: Multi Display (Without Navigation System) System Wiring Diagram (2 Of 2)
G08779156Courtesy of © TOYOTA, LICENSE AGREEMENT TMS1002