lemon-mirror:
Home >> Toyota >> 2006 >> Avalon XLS >> Repair and Diagnosis >> Electrical >> Body Electrical >> OEM System Circuits >> Wireless Door Lock Control with Smart Key System >> Notes

Wireless Door Lock Control with Smart Key System: Notes

Fig 1: Wireless Door Lock Control (With Smart Key) System Wiring Diagram (1 Of 15)
G08779051Courtesy of © TOYOTA, LICENSE AGREEMENT TMS1002
Fig 2: Wireless Door Lock Control (With Smart Key) System Wiring Diagram (2 Of 15)
G08779052Courtesy of © TOYOTA, LICENSE AGREEMENT TMS1002
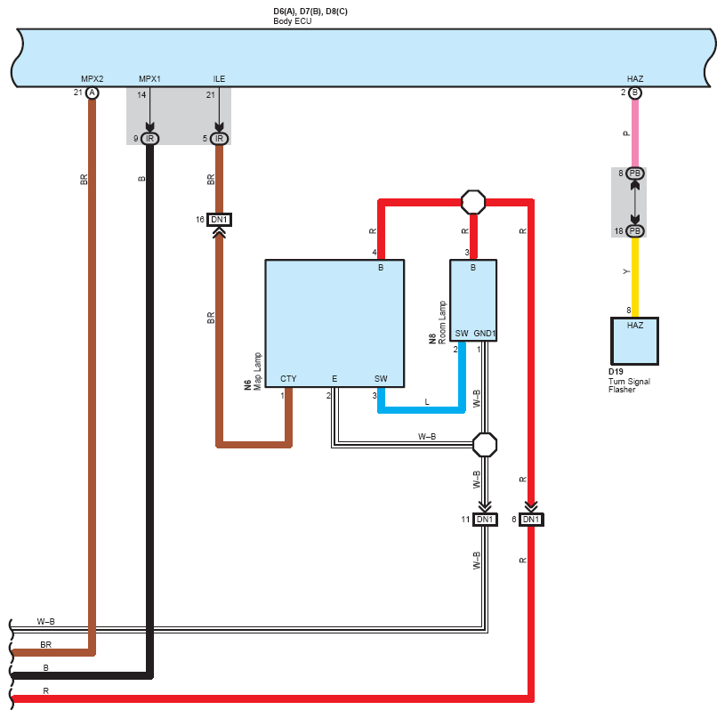
Fig 3: Wireless Door Lock Control (With Smart Key) System Wiring Diagram (3 Of 15)
G08779053Courtesy of © TOYOTA, LICENSE AGREEMENT TMS1002
Fig 4: Wireless Door Lock Control (With Smart Key) System Wiring Diagram (4 Of 15)
G08779054Courtesy of © TOYOTA, LICENSE AGREEMENT TMS1002
Fig 5: Wireless Door Lock Control (With Smart Key) System Wiring Diagram (5 Of 15)
G08779055Courtesy of © TOYOTA, LICENSE AGREEMENT TMS1002
Fig 6: Wireless Door Lock Control (With Smart Key) System Wiring Diagram (6 Of 15)
G08779056Courtesy of © TOYOTA, LICENSE AGREEMENT TMS1002
Fig 7: Wireless Door Lock Control (With Smart Key) System Wiring Diagram (7 Of 15)
G08779057Courtesy of © TOYOTA, LICENSE AGREEMENT TMS1002
Fig 8: Wireless Door Lock Control (With Smart Key) System Wiring Diagram (8 Of 15)
G08779058Courtesy of © TOYOTA, LICENSE AGREEMENT TMS1002
Fig 9: Wireless Door Lock Control (With Smart Key) System Wiring Diagram (9 Of 15)
G08779059Courtesy of © TOYOTA, LICENSE AGREEMENT TMS1002
Fig 10: Wireless Door Lock Control (With Smart Key) System Wiring Diagram (10 Of 15)
G08779060Courtesy of © TOYOTA, LICENSE AGREEMENT TMS1002
Fig 11: Wireless Door Lock Control (With Smart Key) System Wiring Diagram (11 Of 15)
G08779061Courtesy of © TOYOTA, LICENSE AGREEMENT TMS1002
Fig 12: Wireless Door Lock Control (With Smart Key) System Wiring Diagram (12 Of 15)
G08779062Courtesy of © TOYOTA, LICENSE AGREEMENT TMS1002
Fig 13: Wireless Door Lock Control (With Smart Key) System Wiring Diagram (13 Of 15)
G08779063Courtesy of © TOYOTA, LICENSE AGREEMENT TMS1002
Fig 14: Wireless Door Lock Control (With Smart Key) System Wiring Diagram (14 Of 15)
G08779064Courtesy of © TOYOTA, LICENSE AGREEMENT TMS1002
Fig 15: Wireless Door Lock Control (With Smart Key) System Wiring Diagram (15 Of 15)
G08779065Courtesy of © TOYOTA, LICENSE AGREEMENT TMS1002