lemon-mirror:
Home >> Toyota >> 2006 >> Avalon XLS >> Repair and Diagnosis >> Engine Mechanical >> Mechanical >> Intake System >> Intake Air Control System >> System Diagram

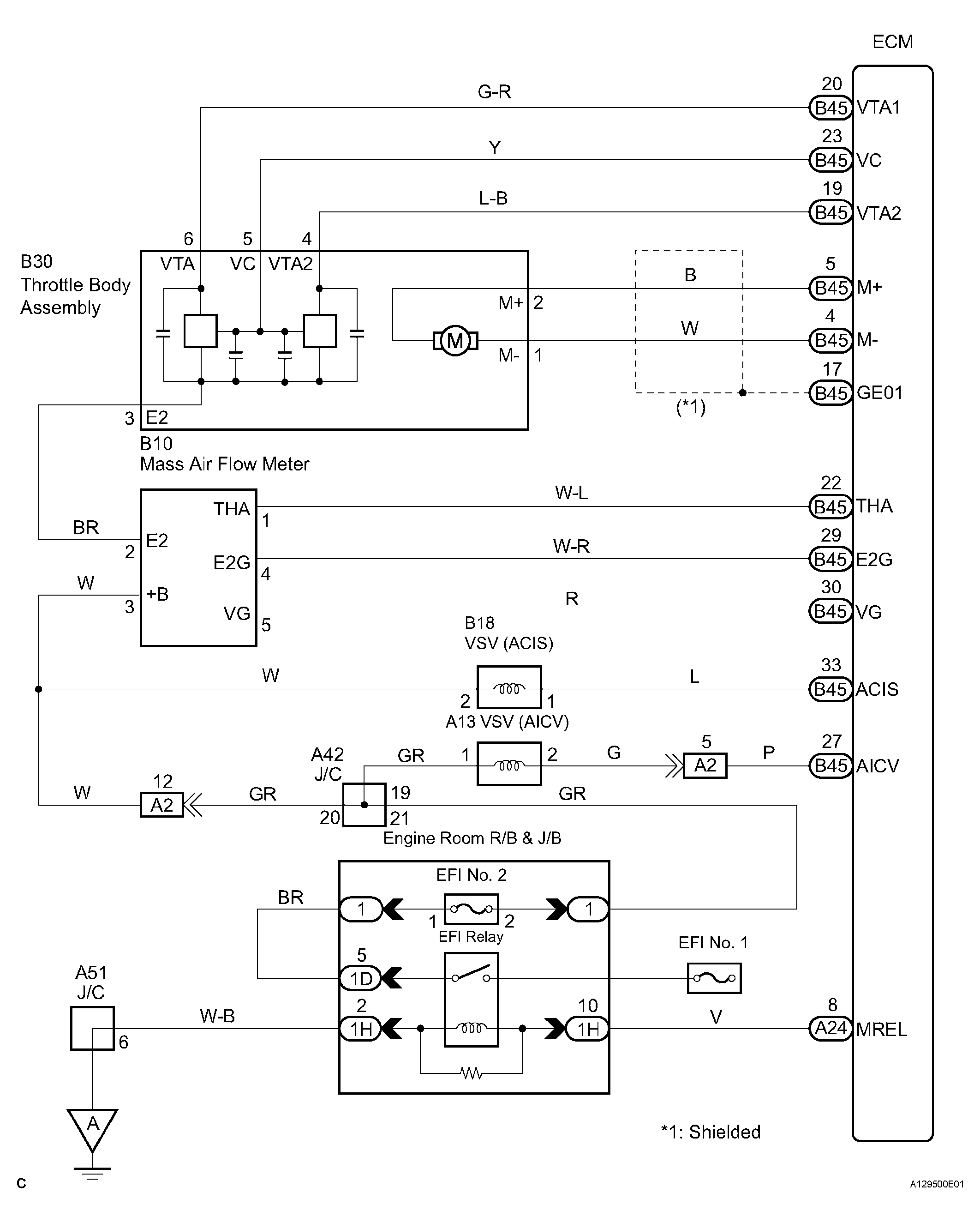
System Diagram

Fig 1: Intake Air Control System-Diagram
G04377095Courtesy of © TOYOTA, LICENSE AGREEMENT TMS1002