lemon-mirror:
Home >> Toyota >> 2006 >> Avalon XLS >> Repair and Diagnosis >> Engine Performance >> Tune-Up >> Engine Ignition System >> Ignition System >> System Diagram

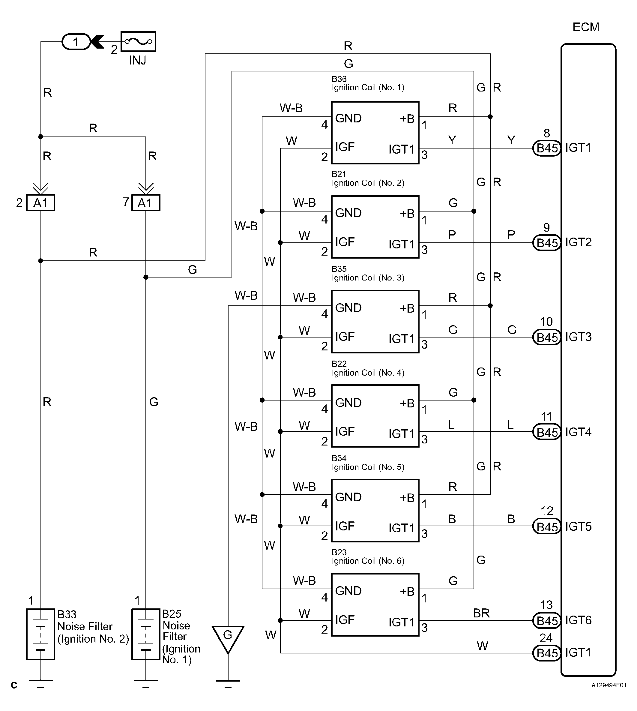
System Diagram

Fig 1: Ignition System-Diagram (1 Of 2)
G04377150Courtesy of © TOYOTA, LICENSE AGREEMENT TMS1002
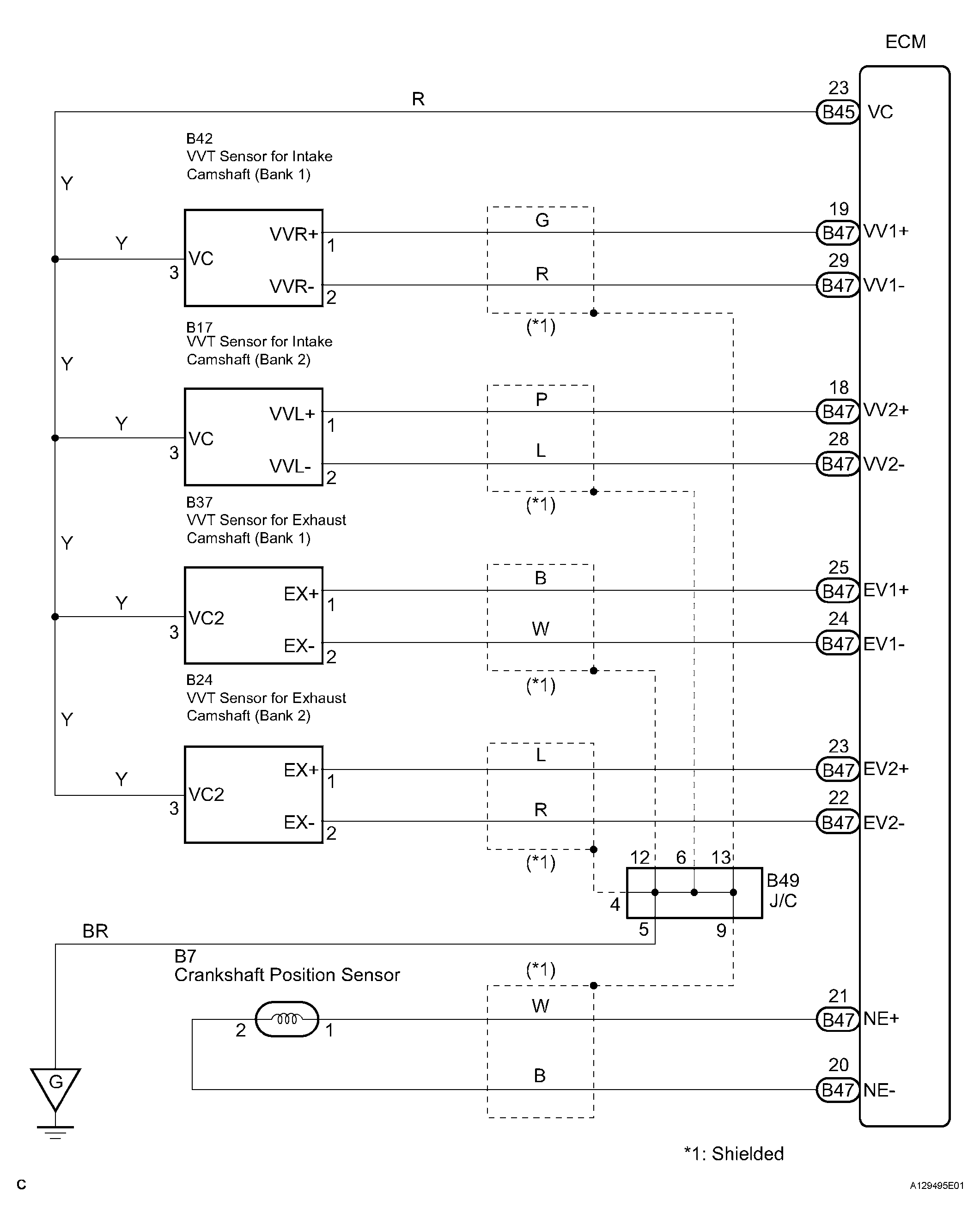
Fig 2: Ignition System-Diagram (2 Of 2)
G04377151Courtesy of © TOYOTA, LICENSE AGREEMENT TMS1002